1,3-15V Fuente de alimentación analógica (10 / 16 paso)

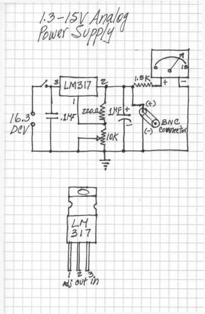
Paso 10: Diagrama de la fuente de alimentación analógica

Observar cuidadosamente el diagrama de modo que usted puede montar correctamente el proyecto porque cada componente de este kit es fundamental que estar conectado exactamente como aparecen en el diagrama del proyecto.

Artículos Relacionados

Cómo salvar la televisión analógica - pirata TV

Cómo salvar la televisión analógica - pirata TV

¿cansado de lo bloque, JPEG-como resolución de la televisión digital? ¿Te tiempo para los días de modulación RF y contenido regulado sin embargo regulado? Simplemente tienen el deseo de tirar el convertidor hacia fuera la ventana y hacer uso de esas
Agregar un medidor digital a su vieja fuente de alimentación variable analógica

Agregar un medidor digital a su vieja fuente de alimentación variable analógica

mi vieja fuente de alimentación variable comienza a tener algunas imprecisiones en la medición de voltaje con su medidor analógico de 20 años. Entonces decidí agregar un medidor digital, con el cual puedo saber exactamente el voltaje suministrado. Pu
Banco Variable 3A fuente de alimentación con lectura digital en pantalla de color con ATMEGA8

Banco Variable 3A fuente de alimentación con lectura digital en pantalla de color con ATMEGA8

Estoy jugando con la electrónica desde que era un niño y numerosos circuitos. Pero aún ahora, no hice ninguna fuente de alimentación para uso general uso. Tan cansado de hacer fuente de alimentación para cada circuito, decidí aprovechar una estable f
Construir una fuente de alimentación ajustable dual con los cargadores del ordenador portátil usado

Construir una fuente de alimentación ajustable dual con los cargadores del ordenador portátil usado

Los últimos años he estado enfocando en proyectos de Arduino en un enchufe de pared USB con salida de 5V es casi la única potencia de la fuente que necesitaba. Cuando empezamos un proyecto hace unos meses para generar ondas de audio con un Arduino ne
Banco de la fuente de alimentación de fuentes de alimentación del ordenador portátil viejo

Banco de la fuente de alimentación de fuentes de alimentación del ordenador portátil viejo

en busca de una fuente de alimentación para trastear en casa, encontré un montón de opciones para convertir la vieja PC de escritorio fuentes (ATX) en fijo o variable Banco PS Tenía unos suministros de laptop vieja en casa y pensé que podrían ser uti
Fuente de alimentación de bricolaje Banco Variable

Fuente de alimentación de bricolaje Banco Variable

fuente de alimentación es una herramienta esencial máxima para un laboratorio de electrónica. Viene bien para encender varias aplicaciones y circuitos. Sin embargo una tensión fija, fijada la fuente de alimentación de corriente es suficiente para las
Cómo hacer una fuente de alimentación de baja potencia de desechados reproductor de DVD

Cómo hacer una fuente de alimentación de baja potencia de desechados reproductor de DVD

¿Hartos de juntos grabando baterías o hacer tagliatelle de cables para proporcionar algunos voltios para su proyecto electrónico? Sí tienes!En vez de comprar una nueva fuente de alimentación (fuente de alimentación) por qué no utilizar un tablero de
Fuente de alimentación de salida Triple caja de lápiz

Fuente de alimentación de salida Triple caja de lápiz

Propósito de volver a su viejo teléfono móvil cargadores en una potencia de salida triple fuente para pan incorporación de circuitos analógicos y digitales.Cargadores del teléfono móvil que conectan a la salida de pared de utilidad son eficientes int
Fuente de alimentación fuente de alimentación de ATX vieja con Arduino y pantalla del Banco

Fuente de alimentación fuente de alimentación de ATX vieja con Arduino y pantalla del Banco

Hola a todos y Bienvenidos a mi primer Instructable.Siempre he querido tener un banco PSU para facilitar el acceso a una fuente de energía y algo que puedo confiar en el cuando se trabaja en varios proyectos. Quería una PSU que:• proporciona 12v, 5v
Super limpio 5V fuente de alimentación

Super limpio 5V fuente de alimentación

esto es una fuente de alimentación de 5V con LM7805 proporciona una fuente de 5V fiel y limpio seguro. Puede convertir 9v, 12v, 15v a 5v de alimentación.  Tengo que construir este circuito y funciona muy bien. Este circuito está diseñado completament
Cómo crear +-voltaje utilizando una fuente de alimentación

Cómo crear +-voltaje utilizando una fuente de alimentación

en la síntesis analógica, para generar casi cualquier señal con amplificadores op, es necesario tener voltajes positivos y negativos. Esto permite que el amplificador operacional generar una señal que abarca los valores de tensión positivos y negativ
FUENTE de alimentación recargable de UberCool MiNi

FUENTE de alimentación recargable de UberCool MiNi

Para las personas que se complació en la electrónica ya sea como hobby o como profesión, una de las partes más esenciales de la obra es la fuente de alimentación. Sin energía, dispositivos y circuitos electrónicos son un pedazo de pisapapeles. Fuente
Proyectos de electrónica: Constante corriente fuente de alimentación mediante modulación de anchura de pulso

Proyectos de electrónica: Constante corriente fuente de alimentación mediante modulación de anchura de pulso

luz de un LED, potencia de un motor, este simple - ish circuito todo lo que acomode constantes necesidades actuales NE555 en fichas! Esto es una gran manera de aprender sobre electrónica y aunque no es tan eficiente como usar un pre hechos buckpuck,
Fuente de alimentación variable 0-12V, control digital, utilizando un Laptop pared verruga & Ardunio

Fuente de alimentación variable 0-12V, control digital, utilizando un Laptop pared verruga & Ardunio

el objetivo de este Instructable es un funcional Ardunio controlada digital, fuente de alimentación. Hemos probado la fuente y controlador para que puede agarrar su vieja fuente portátil (voltaje de salida entre el 14 y 20V), conéctela a la tubería d