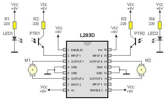
WLT 1.0 (trazador de línea) (3 / 6 paso)

Paso 3: electrónica

Artículos Relacionados

Hecho en casa robot rastreador de línea

Hecho en casa robot rastreador de línea

en este instructables voy a mostrar cómo hacer un robot rastreador de línea sin usar ningún tipo de microcontrolador.Se trata básicamente de obras en la propiedad de reflexión de la luz son mayor de superficie más blanca que negra superficie. Por lo
Mini line tracer

Mini line tracer

Esta es la historia de cómo hice mi primer robot y las instrucciones para construir uno usted mismo.Es un trazador de línea simple, controlado por dos de la op-amperios. Ningún microcontrolador, sin programación... simple circuitería analógica.He int
La mancha: Un carro de bebé

La mancha: Un carro de bebé

hice un carro de bebé recientemente para la producción de la Universidad de la mancha, una producción del estudiante. Mancha se centra en un bebé nacido con complicaciones y en la escritura de uno de los personajes compara a nacer sin huesos. He hech
Cómo hacer un Photoreflector útil para Arduino

Cómo hacer un Photoreflector útil para Arduino

Este es un cómo hacer un photoreflector útil para Arduino.Photoreflector es un sensor que se utilizan a menudo para el trazador de línea.Paso 1: herramientasSoldadura de hierroSoldadura (1.0 mm)PinzaPaso 2: materialesPhotoreflector LBR-127HLD, 50JPYR
Cómo hacer un cuchillo plegable de la cerradura del trazador de líneas

Cómo hacer un cuchillo plegable de la cerradura del trazador de líneas

yo he publicado un instructivo sobre cómo hacer un cuchillo de hoja fija. Será útil leer esto primero, porque en este instructable, que no voy a entrar sobre los pasos otra vez, pero sólo centrarse en los matices con la creación de un cuchillo plegab
Trazador de curva IV

Trazador de curva IV

No intente este proyecto si usted no es cómodo trabajar con tensiones de línea. ***Este proyecto muestra cómo crear un trazador IV (corriente y tensión) que puede utilizarse para enseñar las características eléctricas de un panel solar.Este proyecto
CNC Robot trazador

CNC Robot trazador

Este instructivo describe un trazador de robot controlados CNC. El robot consta de dos motores paso a paso con un pen-elevación montado a medio camino entre las ruedas. Girar las ruedas en direcciones opuestas hace que el robot pivote sobre la punta
Corredera porta cuchillo/pluma/lápiz para Cnc o trazador de pluma

Corredera porta cuchillo/pluma/lápiz para Cnc o trazador de pluma

Cómo configurar el pen/lápiz o un cuchillo en un plotter o cnc la máquina de la pluma para que no corte el papel. Esto se llama el truco de la pluma deslizante, leer en cheque él hacia fuera.Paso 1: Deslizamiento sostenedor de la pluma para plotter d
Barato, bonito y raro A4 del trazador de gráfico ($25 + algunos chatarra)

Barato, bonito y raro A4 del trazador de gráfico ($25 + algunos chatarra)

Actualizada el 02 de junio de 2014Mi entrada de concurso fue aceptada - ahora usted puede votar por este proyecto si te gusta! ¡ Gracias!----------------------------------------------------------------------------------------------¡Hola!Al principio
¿Cómo sobres línea baratos

¿Cómo sobres línea baratos

buscando para ahorrar dinero en su boda, pero aún obtener impresionantes forrados sobres? Es malvado fácil! Hay un montón de tutoriales por ahí sobre cómo sobres con papel de scrapbooking bonito o estampados que se alimentan de tinta de la impresora
Arduino Powered trazadores de líneas del guante Heated

Arduino Powered trazadores de líneas del guante Heated

Arduino Powered Guantes calientesEste proyecto es sobre cómo hacer las más inteligente del mundo calienta guante los trazadores de líneas para condiciones de frío extremo como los de Minnesota o personas que tienen syndrome(like me) de Raynaud. Estos
Cómo coser una bolsa de dormir Zip-en trazador de líneas

Cómo coser una bolsa de dormir Zip-en trazador de líneas

tengo muy barato mediocre 10$ saco de dormir, y estoy agregando un forro polar para hacer más cómoda y aumentar su funcionalidad.Porque este bolso es tal un cheapo pedazo de basura, los materiales utilizados realmente terminado costando más de la bol
Teal ojo ahumado con el trazador de líneas blanco

Teal ojo ahumado con el trazador de líneas blanco

Realmente disfruté hacer este look!Lo que sigue es un proceso fácil paso a paso de cómo logrado este look. También hay un video tutorial al final.Esperamos que disfrutes!Paso 1: Paso 1 & 21. use un primer de ojos. Estoy usando la cartilla de CC de la
Hacer pata de lana, guantes, calentadores y guantes los trazadores de líneas del cuello a mano o máquina

Hacer pata de lana, guantes, calentadores y guantes los trazadores de líneas del cuello a mano o máquina

Ando mis perros 3 millas todas las mañanas antes de días de descanso. Necesitaba encontrar una manera para mantener el calor cuando la temperatura desciende por debajo de 20 grados y el viento lo hace sentir aún más frío.  Empecé a hacer calentadores