WiFi para estación meteorológica Lacrosse de WS2357 (3 / 7 paso)

Paso 3: Negativo - 6V

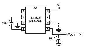
Dan cuenta de una tensión negativa de - 6v con el icl7660 circuito

Artículos Relacionados

Anemómetro DIY y Windvane para estación meteorológica independiente

Anemómetro DIY y Windvane para estación meteorológica independiente

Me gustaría compartir algunos conocimientos sobre estación meteorológica. Como hemos escuchado muchas veces acerca de estación y algunas personas le gustaría construir su propia estación meteorológica en su página de inicio.Estación meteorológica es
Relámpago! El Detector de rayos para la estación meteorológica de frambuesa Pi (actualizado)

Relámpago! El Detector de rayos para la estación meteorológica de frambuesa Pi (actualizado)

En este Instructable aprenderás:Cómo conectar un Detector de rayos a un Solar Powered estación meteorológicaCómo diseñar y colocar el detector de rayos para mejor perfomanceCómo reunir datos para ver la historia de Lightning como ocurreCómo conectar
Solar Powered aspirador para Vantage Vue estación meteorológica radiación escudo

Solar Powered aspirador para Vantage Vue estación meteorológica radiación escudo

UGH, título... Me explico. Tengo una estación meteorológica Davis Instruments 6250 Vantage Vue. Es realmente un instrumento precioso: solar powered, wireless, con todos los sensores integrados en un paquete elegante. Es pequeño, asequible y lo sufici
Integrado estación meteorológica (IWS)

Integrado estación meteorológica (IWS)

En este proyecto, vamos a hacer una estación meteorológica integrada (IWS) que mide múltiples parámetros (presión, temperatura, gota de lluvia, humedad del suelo y humedad del aire) con Arduino, conexión parámetro con Nuvoton y los datos de Raspberry
ESTACIÓN meteorológica inteligente

ESTACIÓN meteorológica inteligente

Sobre el problema:Antes que entrar en los detalles, Detengámonos un momento a considerar las cuestiones clave y cláusulas involucradas en un proyecto como este: ● ¿Cómo puedo crear una estación meteorológica que no es valioso ni atractivo para un lad
Estación meteorológica de IoT con Adafruit HUZZAH ESP8266 (ESP-12E) y Adafruit IO

Estación meteorológica de IoT con Adafruit HUZZAH ESP8266 (ESP-12E) y Adafruit IO

Hola, todo el mundo! Tiempo hace que vi esta estación meteorológica por Aleator777 y se inspiró para hacer mi propia estación meteorológica. Vi que el Edison de Intel es demasiado cara en mi país, por lo que decidí buscar algo más barato, y encontré
Web conectado estación meteorológica

Web conectado estación meteorológica

Construir una estación meteorológica para mostrar y registrar la velocidad del viento, dirección del viento, presión atmosférica, precipitación, humedad y temperatura.Hice uso de la viruta panStamp NRG 2 para enviar los datos desde el weatherstation
Estación meteorológica

Estación meteorológica

Recuperar el poder de pronóstico del tiempo de su meteorólogo local y comenzar su propia incursión en el mundo de la ciencia de Meteorología y ciudadano amateur con su propia estación meteorológica DIY y registrador de datos. En este Instructable, te
Construir una estación meteorológica por MediaTek Linkit uno

Construir una estación meteorológica por MediaTek Linkit uno

Hola, he construido una estación meteorológica por linkitONE, que es similar a arduino UNO con alto desempeño en replantean inalámbrico. Mi estación meteorológica cargar automáticamente datos en internet y grabado en la nube. Me deja intirduce cómo h
Autónoma estación meteorológica con ESP8266

Autónoma estación meteorológica con ESP8266

Hola amigosHoy les vamos a mostrar como realizar una pequeña estación meteorológica con nuestro ESP8266 NodeMCU, nuestra estación va a reportar temperatura, humedad y punto de rocío a la comunidad global de wunderground con esto contribuiremos a gene
Únete a la IOT con su estación meteorológica - CWOP

Únete a la IOT con su estación meteorológica - CWOP

-Wop,-Wop el CWOP...En este nuevo instructivo por Laboratorios SwitchDoc usted aprenderáQué es CWOP (programa de observación de tiempo de los ciudadanos)Cómo conectar un Raspberry Pi base estación a CWOP¿Qué Software necesita?Cómo registrarse en CWOP
Estación meteorológica con SAMIIO, Arduino y frambuesa Pi

Estación meteorológica con SAMIIO, Arduino y frambuesa Pi

Este artículo muestra cómo utilizar a SAMI con hardware y sensores simples y estándares. Específicamente, nos recopilación de datos climáticos de un sensor de temperatura de bajo costo y transmitir esos datos a la nube mediante APIs de SAMI. A partir
Estación meteorológica de frambuesa Pi Internet

Estación meteorológica de frambuesa Pi Internet

Este Instructable le mostrará cómo construir una estación meteorológica de frambuesa Pi-basada en Internet genial. En realidad llamar a esta versión una "estación meteorológica" es un poco de una virtud de declaración. Esta estructura podría amp
Intel Edison estación meteorológica webserver (pequeña)

Intel Edison estación meteorológica webserver (pequeña)

Decidí intentar un proyecto con el Edison de Intel, utilizarlo como un servidor Web, por mi estación meteorológica casera. Los instrumentos Davis Vantage VUE proporciona datos meteorológicos mediante un puerto USB, así que vamos a tratar de conectar