Paso 4: Se trata de comunicación



En este punto volver a leer mi copia de hacer las cosas (ver las referencias en el paso 7) y vi que sería una buena idea para actualizar el firmware de mi XBee a la última versión antes de comenzar. En ese momento entré en un período largo de la semana de frustración como confiablemente no podía conectar a los dispositivos XBee, uso el USB XBee explorer en mi configuración de equipo (un MacBook Pro ejecuta una sesión de Vista Ultimate paralelos). Fui a Ronda y ronda las casas y finalmente consiguió resultados suficientemente buenas de instalar los drivers FTDI (que se instalaron por defecto cuando conecté primero el tablero de la explorer de XBee USB) y actualizar a la versión más reciente desde el sitio web FTDI. Habiendo sido mordidos por este en el lado de windows de las cosas decidí actualizar los controladores en el equipo de Mac OS X y luego logró detener mi Arduino de ser visible para Mac OS X. Así es mi lección aprendida, si corres windows ir con la última versión de drivers FTDI. Si ejecuta un uso de Mac la versión distribuida con el IDE de Arduino (e.g. arduino-0015).
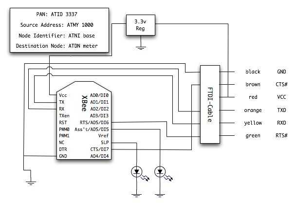
Después de haber solucionado la parte software del problema (y tener la capacidad para actualizar firmwares y varios valores) luché con mi circuito inicial. Estaba utilizando el cable FTDI y construyó un circuito simple. Pero no importa cómo duro traté no pude obtener el XBee para responder. Otra vez el internet llegó al rescate y siguiendo algunos consejos superior de los foros de adafruit, me dijeron que revise el voltaje que sale de mi regulador. Lo behold, en lugar de los 3, 3V yo esperaba que bajaba a 2.1v. Esta fue la tensión medida en el carril de tierra del tablero y una vez me enganchado una conexión directa desde el regulador de salida para el Xbee breakout Junta que estaba arriba y corriendo.
Que levantaba el circuito funcionando y probando cosas a utilizar en los comandos que era tiempo de alambre hasta el Arduino para algún control programático. Aunque quería el medidor a ser independiente y no estar conectado a un cable USB, pensé que sería útil mantener las conexiones serial de hardware para la depuración etc.. Siguiente de punteros en adafruits páginas de XBee, he descargado e instalado la biblioteca NewSoftSerial y atado con alambre el XBee hasta los pines 4 y 5.
El código siguiente muestra una serie de funciones que escribí para emitir comandos AT para el XBee y proporcionar un medio práctico para configurar lo XBee como parte de la puesta en marcha de la Arduino.
Así que ya teníamos bloque tres en su lugar, un medio para transmitir el tiempo inalámbricamente y cuenta paquetes de bloques uno y dos.