



De todos modos, esto es bastante simple. Todo lo que necesitas es un iPod shuffle, una vieja tarjeta de regalo, una regla y un cuchillo del Exacto.
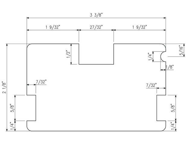
Cortar la tarjeta como se muestra en el diagrama dimensionado. Nota que la profundidad de las ranuras que el auricular / auriculares cable se encuentra en crítico. Desea que los brotes del oído para acabar en la posición correcta para ser fijada en lugar por el clip del cinturón en el iPod.
Una vez que la tarjeta de corte, deslizar el iPod y envolver los auriculares como se muestra. Clip de auriculares con clip de cinturón del iPod para garantizar.