Paso 2: Cableado el L298N para Arduino

He descrito algo de esto en la sección anterior, pero permite obtener detallada:
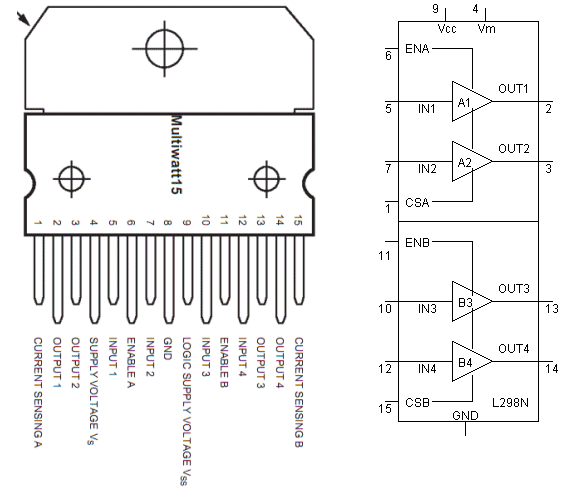
Hay cuatro clavijas del módulo L298N IN1-4, hay cuatro conexiones de salida OUT1-4. También hay un + V y GND en un bloque de terminales del módulo. También hay un + 5V terminal (que no va a utilizar esto).
Los pernos de IN pueden conectarse a cualquiera de los pines de control en el Arduino. En mi caso tengo una pantalla LCD en la ONU, usé los pines analógicos (A1 a través de 4 esto será importante más adelante). Éstos entonces fueron conectados como sigue:
A1 -> IN1
A2 -> IN2
A3 -> IN3
A4 -> IN4
Lo importante, también debe conectar un conector de tierra de arduino, en el terminal de tierra común, de lo contrario esto no funcionará!
Os adjunto a continuación + V a una potencia variable de la fuente, y otra vez la tierra fue conectado a tierra a través del terminal.