Paso 1: electrónica





2 x CI 4093;
2 zócalo de x para el IC;
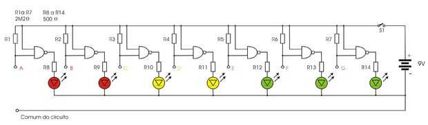
resistencias de 7 x 500 ohmios;
resistencias de 7 x 2M 2 ohmios;
1 x batería de 9Volts;
1 x pinza de la batería;
1 x normalmente abierto (yo usé una campana diferencial porque tenía ya);
1 espejo de x para el interruptor del timbre;
1 x caja para cambiar;
estándar de 1 placa resina 10 x 5 cm (ya presente);
8 tornillos de latón (que serán sensores);
Cinta de doble cara o tornillos para sujetar la caja a la pared;
cable de red (el circuito fue diseñado principalmente para su uso con este cable ya que tiene 8 cables dentro de: 7 para los sensores y 1Para el común).
Obs.: La longitud del cable depende de la distancia desde el tanque de agua y donde se quedará la pantalla.
soldadura, soldador, etc....
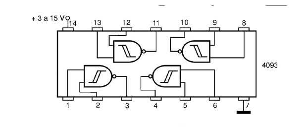
El corazón del circuito del th es un CI4093 que tiene cuatro puertas de "NAND". En este proyecto, he utilizado dos.
Básicamente tenemos un puerto "NAND" con una entrada de alto nivel y otro tiene una resistencia de pull-up proporciona un nivel lógico alto (1). Cuando se coloca en esa lógica cero entrada, la salida del inversor va a alto nivel y enciende el LED, iluminándolo.
He utilizado siete de las ocho puertas debido a una limitación de la red de cable.
La placa de circuito realizada en una resina estándar (pegado) con los componentes colocados en la parte superior. En un fondo, hice las conexiones con soldadura y unos trozos de cable de alambre.
Para el panel, usa una caja que sirvió también para el circuito de la casa. El botón central (normalmente abierto) se utiliza para conectar el circuito.
El circuito solo funciona al utilizar el botón central. El resto del tiempo está en "stand-by". La buena noticia es que la batería va a durar mucho tiempo y ninguna corriente a través del agua. Cuando circuito disparada, la corriente es mínimo y no representa ningún peligro para la salud.













