Paso 2: Conseguir los detalles para iniciar R.E.



Necesitamos tanto como información posible sobre el corazón de la amp.
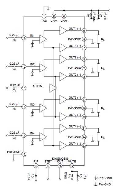
En este caso es un dispositivo de 24-pin grande atado en la espalda del disipador de calor, que es un giveaway muerto que es un dispositivo de energía.
En algunos casos, usted encontrará amplificadores discretos, y los puede ser algún tipo de matriz de transistores o puente en H. Pero en este caso estoy buscando un amplificador de clase AB de algún tipo, porque a primera vista no veo ninguna salida filtrado etapa, no un solo inductor o condensador electrolítico grande (aparte de una en la fuente de 12v) que aparecería en un amplificador clase D.
Afortunadamente existe un número de pieza que podemos buscar para una hoja de datos. TA8272H y me enteré de que se trata de un amplificador de audio en un chip, es un amplificador bipolar lineal o como adiviné un amplificador de clase AB. Ellos son no impresionante de alimentación eficaz, pero son intrínsecamente un ruido más bajo en comparación con amplificadores clase D.