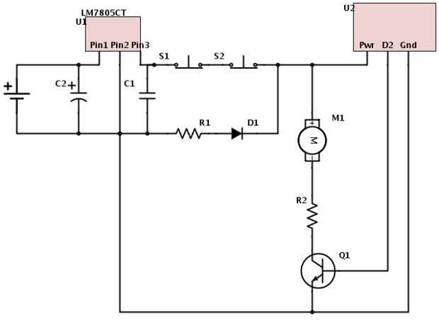
Paso 7: Esquema de circuito

Esquema desarrollado utilizando SchemeIt de digikey.
Figura nombre y descripción de la parte
- Fuente de alimentación
- Batería de 9 V
- C1
- capacitor de.1 muF
- C2
- condensador de 33 /muF
- D1
- LED
- M1
- motor de localizador de teléfono celular pequeño
- Q1
- 2LN3904 BJT NPN Transistor
- R1
- 1K ohmios
- R2
- 100 ohmios
- S1
- Siempre conectado interruptor de palanca
- S2
- Pulsador conectado siempre
- U1
- Regulador de voltaje LM 7805 5V lineal
- U2
- Receptor de ADA fruta cierre