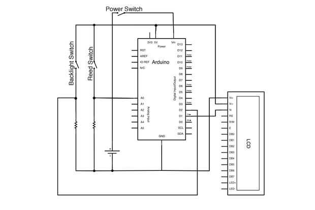
Paso 1: esquema

Consiste en tres interruptores:
-uno para conectar a una fuente de alimentación 9V
-uno para encender/apagar la retroiluminación de la pantalla LCD
-un interruptor magnético (llamado un interruptor de láminas) que se cierra cada vez que la rueda termina una rotación completa.
La pantalla LCD de Parallex es diseñada para conectarse a arduino usando solamente tres pernos (ignorar las etiquetas y lo otros pines int su esquema). Uno a 5V, tierra y una tercera serie hacia fuera (TX), en el arduino, serie hacia fuera es pin digital 1.
resistencias de 10kOhm están conectados a los switches reed y luz de fondo para evitar la excesiva corriente entre 5V y masa (deben nunca directamente conectas 5V y tierra en el arduino!)