Veleta electrónica

más información en página web: http://sites.google.com/site/controlandelectronics/wind-vane-project
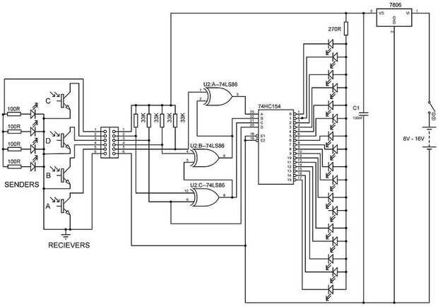
Este proyecto trata de una veleta que proporciona la dirección del viento a través de una salida digital utilizando una configuración de LED.

Mi proyecto es sobre una veleta que proporciona la dirección del viento a través de una salida digital utilizando una configuración de LED. El objetivo es crear una configuración de LED fueron solo un que LED se encenderá, mostrando exactamente la dirección de la veleta.

El circuito y el diagrama de bloques se pueden ver en las siguientes imágenes:

Feedinco

Más detalles en sitio web: http://sites.google.com/site/controlandelectronics/wind-vane-project

Artículos Relacionados

GaussGun / pistola de bobina electrónica e ingeniería de proyectos

GaussGun / pistola de bobina electrónica e ingeniería de proyectos

Me decidí a hacer el Gold Award de la cresta en mi colegio, que es una gran certificación de la Asociación británica de ciencia que da a los estudiantes una oportunidad de ampliar sus conocimientos de ciencia, tecnología, ingeniería y matemáticas med
Hacer A un escritorio de laboratorio de electrónica (en un lugar pequeño, para principiantes)

Hacer A un escritorio de laboratorio de electrónica (en un lugar pequeño, para principiantes)

Vida sin armarios ni un sitio de trabajo no es fácil, realmente no me gusta que tengo un cuarto pequeño. Tenemos una casa de fin de semana, que estoy visitando muy a menudo porque tengo un laboratorio de electrónica todo allí (con Arduino y muchos má
Electrónica LEGO Super Mario Bros setas

Electrónica LEGO Super Mario Bros setas

Presentado para la aprobación de la sociedad de Instructables, traer a usted otro proyecto electrónico de LEGO con un tema retro video juego!Utilizando los mismos principios exactos para diseño e ingeniería como mi Electrónica Super Mario Starmen, yo
LEGO electrónica DL-44 Blaster (luz y sonido)

LEGO electrónica DL-44 Blaster (luz y sonido)

Actualización: este proyecto ya está disponible en Ideas LEGO --tan seguro apoyo si desea verlo a la venta en tiendas algún día!Construido originalmente para el año 2014 de día de Star Wars, les presento a un proyecto que he estado constantemente rev
Coche clave mod con electrónica

Coche clave mod con electrónica

Hola DIYers :)Inspirado en el proyecto un poco más simple con el modelo de coche de HotWheels y no electrónica de usuario schnurrbart, proyecto es aquí: llave caliente del coche de ruedasasí que, vamos a empezar... o espera... antes de se comprometen
Batería electrónica barato bricolaje Kit platillos

Batería electrónica barato bricolaje Kit platillos

Había estado tratando de hacer mis propios platillos para mi batería electrónica DTXpress II. El kit ya tiene 2 pero recordé que podía añadir 2 más así que quedé pensando e investigando.Paso 1: Comprar los bits necesitadosVI algunos videos y utilizar
Hojas de diseño protoboard SOLDERLESS (listo electrónica)

Hojas de diseño protoboard SOLDERLESS (listo electrónica)

aquí es un sistema diseñado para cuidar de algunos de los dolores de cabeza en breadboarding un circuito.Es es un simple conjunto de archivos de plantilla atraídos escala con los componentes electrónicos del mundo real.Usando un vector programa simpl
Bicho muerto prototipos y electrónica libre

Bicho muerto prototipos y electrónica libre

Prototipos de bicho muerto y forma libre electrónica son una manera de construir circuitos electrónicos, de trabajo soldando directamente a las partes, o a través de alambres en vez de la forma tradicional de usar una placa de circuito impreso (PCB).
Electrónica de soldadura móvil taller

Electrónica de soldadura móvil taller

como entusiastas de la electrónica ocasional, como kits de la soldadura, o intentar reparar las cosas.No tenemos un lugar dedicado para la soldadura y cada vez persiguiendo nuestras cosas esenciales:El soldadorPequeñas herramientas, multímetroPiezas
Altavoz casero electrónica

Altavoz casero electrónica

Alguna vez has querido construir tu propia barato, sin embargo valioso y bueno suena Speakers.This Instructable va a darle una simple reseña de los fundamentos electrónicas para un Boombox. La configuración puede integrarse en una amplia variedad de
Proyecto de electrónica bandejas

Proyecto de electrónica bandejas

Este Instructable está diseñado para cualquier persona que quiere organizar su laboratorio de electrónica, que es aún más importante en un entorno común donde la gente comparte un taller de electrónica. Hice estos para el laboratorio de electrónica e
Electrónica silencio para trompeta y la corneta (pobre hombre)

Electrónica silencio para trompeta y la corneta (pobre hombre)

Mis vecinos han comenzado a quejarse mucho de mi trompeta practicando hasta altas horas de la noche.Así que recientemente he comprado a un silencio electrónico producido por Yamaha. El latón silenciosa es un sorprendente sistema, silencia su trompeta
Makey Makey melódica electrónica

Makey Makey melódica electrónica

Conexión a tierra cuando el teclado Makey Makey quita un poco de la diversión, como esto a menudo significa que usted extremo para arriba con un alambre a menudo enganchado a su muñeca o en su mano. Por lo tanto, Divya ocurrió la excelente idea de po
Electrónica básica

Electrónica básica

Introducción a la electrónica básica es más fácil de lo que imaginas. Este Instructable que desmitificaremos los fundamentos de la electrónica para que cualquier persona con un interés en la construcción de circuitos puede golpear el suelo corriendo.