

¿USB a RS232 tiene equipos antiguos, pero su nuevo Mac o PC es USB basado en? Todavía puede utilizar su viejo equipo con mi adaptador.
USB en un sello A simple ejemplo de a USB con un sello. Seguido por un práctico USB basados en proyecto de la pantalla LCD.
En la tubería: (Compruebe por favor detrás): sello de OEM USB
Contenido:
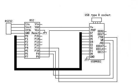
1 partes y diagrama del circuito
2 procedimiento
3 aplicación de prueba de Macintosh
4.A USB basado en LCD (en curso)
Los siguientes enlaces le dará punteros en conseguir USB para trabajar con el sello de la paralaje y pueden ser fácilmente modificados para tu microcontrolador favorito o el lenguaje.
¿USB a RS232 tiene equipos antiguos, pero su nuevo Mac o PC es USB basado en? Todavía puede utilizar su viejo equipo con mi adaptador.
USB en un sello A simple ejemplo de a USB con un sello. Seguido por un práctico USB basados en proyecto de la pantalla LCD.
En la tubería: (Compruebe por favor detrás): sello de OEM USB