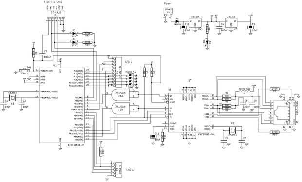
Paso 1: Aquí está el diagrama esquemático

Como se puede ver, hay una serie de conectores expuestos Rúbrica que puede utilizar para conectar dispositivos periféricos a.
El tablero es alimentado con una fuente de entre 7 y 12v. Contiene los reguladores de voltaje para proporcionar + 5v y + 3.3v para el controlador de Ethernet.
También hay un DIP switch de 4 posiciones que puede usarse para permitir las funciones programadas ser modificado. Una falla de la librería de Arduino Ethernet estándar es que la dirección IP de la Junta Directiva ha establecido en el código. Usando el interruptor DIP, un bloque de direcciones se puede seleccionar como sea necesario. Usted puede hacer 16 tableros y cada tabla seleccione automáticamente una dirección diferente basada en el ajuste del interruptor. Esto es * realmente * útil cuando han desplegado 10 sensores alrededor de la casa. Todo lo que necesita hacer es establecer un modificador y luego se configuran.
Las conexiones de los conectores de E/S son;
I / O1 - 1 - PD5 (Pin 5 del Arduino)
I / O1 - 2 - PD6 (Arduino Pin 6 + pullup a + 5v) - se utiliza para conectar un sensor de temperatura DS1820.
I / O1 - 3 - PD7 (Pin 7 de Arduino)
I / O1 - 4 - PD8 (Arduino Pin 8)
I / O1 - 5 - GND
I / O2 - 1 - + 5v
I / O2 - 2 - GND
I / O2 - 3 - PD4 (Pin 4 del Arduino)
I / O2 - 4 - PC0 (Arduino analógico 0)
I / O2 - 5 - PD3 (Pin 5 del Arduino)
I / O2 - 6 - PC1 (Arduino analógico 1)
I / O2 - 7 - PC2 (Arduino analógico 2)
I / O2 - 8 - PC3 (Arduino analógico 3)
I / O2 - 9 - PC4 (Arduino analógico 4)
I / O2 - 10 - PC5 (Arduino analógica 5)