Paso 2: Montar los componentes y programar el micro




Como con todos mis proyectos, hay una cabecera Programación montada en el PCB. Simplemente conecto mi programador PIC hecho en casa a ella, y puedo programar la placa.
Si usted desea hacer su propio programador, entonces sinceramente puedo recomendar el open source en openprog.altervista.org/OP_eng.html. Yo he construido, y funciona de maravilla. Alternativamente, usted simplemente puede comprar uno de los muchos programadores en eBay. También trabajan bien!
Aquí es una copia del archivo hexadecimal que dice Sian y el archivo asm. También incluido es el esquema.
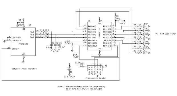
Usted notará las pastillas un acelerómetro opcional y componentes asociados. Cuando éstos llegan, podré agregar código para permitir que la pantalla siempre es la forma correcta alrededor independientemente de la dirección de la Junta es sacudido!
Usted también notará una cabecera de 5 pines en la parte posterior de la Junta - que es para un programador que utilizo para el desarrollo.
Aquí está una lista detallada de los componentes que se utilizan en el PCB
U1 - microprocesador 16F88
R1-R7 - 1k 0
R8, R9 - 10k 0
R10 - 10k 0
C1 - 0.001uF
Sw1 - interruptor de botón
D1-D7 - SMD LED (rojo)
D8 - diodo 1N4004
J5 - 5 jefe del pin de programación
B1 - batería CR2032 + a través de agujero titular
Componentes opcionales del acelerómetro
U2 - MMA7260Q acelerómetro
R11-R13 - 1k 0
C2-C4 - 0.1uF
C5 - 10uF 16V













