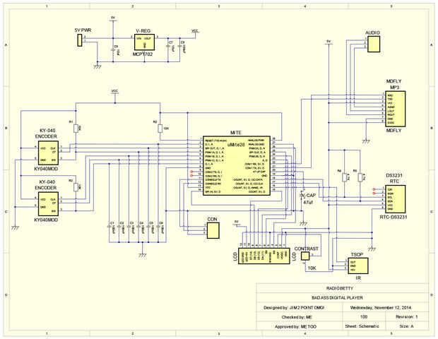
Paso 2: El circuito

El circuito fue presentado primero en un protoboard para probar la funcionalidad de cada uno de los módulos está utilizados y probar el software, después de lo cual solía Autotrax Dex para crear el esquema de la unidad. Como usted puede decir probablemente mirando el esquema, fue mi primer intento usando un programa de diseño de pcb para hacer un proyecto. No es calidad de NASA por cualquier medio, pero me funciona.