Paso 2: condensadores! Condensadores!




Como ustedes saben los condensadores son resistencias como, en la red 50Hz o 60Hz tienen una resistencia.
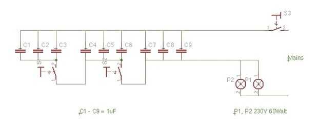
Un condensador de 1uF tendrá 3KOhm aprox. a 50Hz. Esta demasiado para operar dos lámparas de 60 vatios.
Conexión de tres tapas de 1uF. paralelo la resistencia será alrededor de 1KOhm. Esto traen los bulbos a un resplandor cálido y agradable.
Debido al hecho, que un condensador tiene sólo una reactancia es la elección perfecta para esto.
Construir una batería de condensadores de 3 x 3 para tener la capacidad de utilizar dos interruptores para controlar el brillo.
El cableado es muy fácil ver el circuito.