Una animación dentro de un agua de la gota por Physalia (8 / 11 paso)

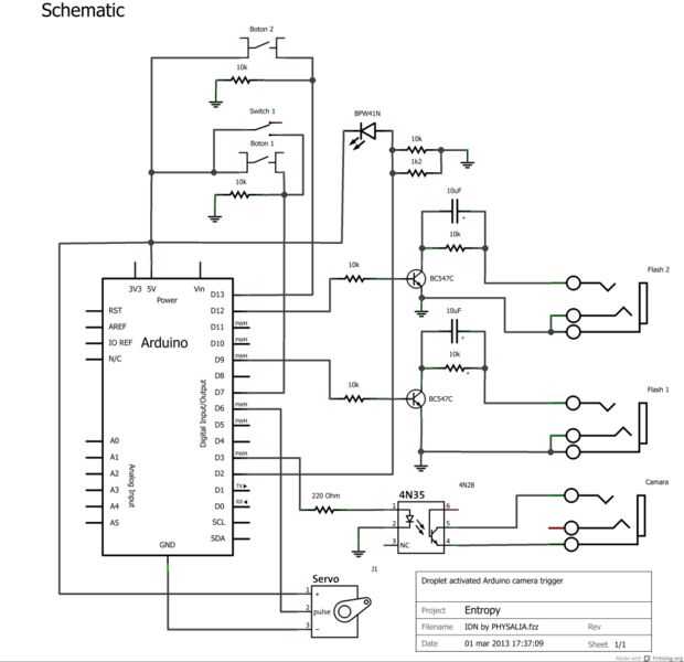
Paso 8: El esquema electrónico

Así que esto es cómo se ve el final

Artículos Relacionados

Una animación con plastilina de un chico que uno por una roca

Una animación con plastilina de un chico que uno por una roca

No se puede mostrar el contenido. Adobe Flash es necesario.No se puede mostrar el contenido. Adobe Flash es necesario.Visita Putyourforkintoit.com
Hacer una animación en 3D de una imagen 2D

Hacer una animación en 3D de una imagen 2D

Este video instructivo es el "making of" de un video promocional 3D que he estado trabajando, para un libro de Beatles.Punto de partida:Un detallado dibujo fotográfico blanco y negro por el autor, Jeff Aarons, ilustrador profesional, que fue uti
Cómo hacer una animación con plastilina impresionante

Cómo hacer una animación con plastilina impresionante

aquí es una guía paso a paso para crear tu propia animación con plastilina.  Empezaré con un vídeo que hice mi segundo año como un proyecto de fotografía.  Tiene alrededor de 2.000 marcos y tomó alrededor de un mes para terminar.Estoy entrando este i
Crear una animación de pintura de luz

Crear una animación de pintura de luz

hace un par de meses he creado una animación de pintura clara para mis escuelas festival anual de cine. Desafortunadamente después de varios contratiempos no fue capaz de reproducir esa noche, así que lo pongo en facebook y tiene buena recepción. He
Cómo hacer una animación con plastilina - Tayla

Cómo hacer una animación con plastilina - Tayla

En primer lugar, comenzar con reunir todos los materiales a continuación.Tiempo para hacer tarea:5-10 minutosMateriales necesarios:Diferentes colores de arcilla, 1 cuadra de azul, a 1 cuadra de negro, 1 cuadra de blanco, a 1 cuadra de amarillo y 1 cu
Cómo crear una animación de Lego

Cómo crear una animación de Lego

Cool video ¿EH? Adivinen qué, usted puede hacer esto también! Hola a todos, en este Instructable te ser enseñarte acerca de lo que usted necesita para hacer una animación de Lego usando IStopMotion y haciendo un tipo Lego a pie. Espero que lo tengas
Cómo 3D imprimir una animación inspirada en Matadero cinco de Vonnegut

Cómo 3D imprimir una animación inspirada en Matadero cinco de Vonnegut

Mayoría de las impresoras 3D funciona tomando un archivo 3D (como un STL) y cortar en una pila de archivos 2D. El 2D archivos son entonces impreso uno encima del otro para crear la forma final de 3D. Aquí comenzaremos con una animación en 2D y uso el
Crear una animación GIF con un iPhone

Crear una animación GIF con un iPhone

En este Instructable le mostrará cómo crear un GIF animado utilizando un iPhone y la aplicación Gifboom . GIFs son realmente divertida manera para ayudar a su proyecto entre otros ibles y explicar su proceso con mayor detalle.¿Qué es un amimated GIF?
Cómo hacer una animación gif con fotos para tu fondo de página web/twitter

Cómo hacer una animación gif con fotos para tu fondo de página web/twitter

Hola,Me han aprendido algunas técnicas rápidas y le gustaría compartir con usted sobre cómo hacer una animación GIF sencilla utilizando Adobe Photoshop CS6. Para mí es interesante contar con una forma diferente de ver y compartir fotos captadas con a
Cómo hacer una animación en fusión 360

Cómo hacer una animación en fusión 360

Más exactamente, este Instructable muestra cómo hacer un estudio de movimiento en Autodesk de fusión 360 mediante su representación de nube muy bonito y muy rápido. Así que si por ejemplo, se ha modelado algo, y quieres animar como se mueve, aquí son
Cómo hacer una animación de logo - After Effects

Cómo hacer una animación de logo - After Effects

en este instructable mostrará usted cómo crear una animación de logotipo simple que se puede ampliar de y personalizar a su gusto.Paso 1: Paso 1 - crear una composición De la barra de menú en la parte superior de la AE seleccione Composición > Nueva
Cómo hacer una animación de papel

Cómo hacer una animación de papel

en este instructable le mostraré cómo hacer una animación de gran papel.Paso 1:Cosas que usted necesita:papel en blancotijerascintaPapel de construcción negro grande (22 "x 25")computadoracámaracinta de medición (opcional)Paso 2:En primer lugar
Hacer una animación simple

Hacer una animación simple

Voy a mostrarte cómo hacer una animación simple con Synfig Studio. Synfig Studio es un software de animación en 2D libre y de código abierto.Paso 1: Descargar SynfigEn primer lugar, descargar Synfig de Synfig.org.Luego instale y ejecutarlo.Paso 2: In
Cómo hacer una bomba de circulación de agua

Cómo hacer una bomba de circulación de agua

Video y foto Instructableshttps://youtu.be/joHhEXFyP5kPaso 1: En el video de hoy voy a mostraros una gran idea de fabricar una bomba de agua, o como lo llaman muchas personas – una bomba de circulación de agua con sus propias manos, mínimo costo en c