Un puerto de carga USB para una bicicleta eléctrica (1 / 6 paso)

Paso 1: Diagrama esquemático y lista de piezas

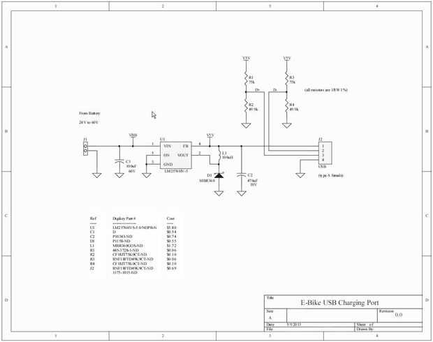
Aquí está el esquema y la lista de piezas con números de parte de Digi-Key.
La red de resistencia es necesario para algunos teléfonos (por ejemplo el iPhone) que necesitan ver 2V en los pines USB 2 y 3.

Artículos Relacionados

Cómo hacer una batería de litio para una bicicleta eléctrica

Cómo hacer una batería de litio para una bicicleta eléctrica

Bicicletas eléctricas utilizan baterías de celdas de iones de litio. Uno de los tipos más comunes es una célula cilíndrica llamada una célula 18650, nombrado tan porque es 18 mm de diámetro y 65 mm de largo. Te voy a mostrar cómo crear tu propia bate
Cómo construir una bicicleta eléctrica por menos de $100

Cómo construir una bicicleta eléctrica por menos de $100

sí, es posible construir una bicicleta eléctrica por menos de $100. El secreto para hacer este es... obtener la mayor parte de sus materiales gratis! Ahora no sólo voy a pierde y dicen ir encontrar este material o bien. Hay algunos trucos y consejos
Reutilizado de iluminación Solar para una bicicleta casco basura Tech

Reutilizado de iluminación Solar para una bicicleta casco basura Tech

la idea de este instructable fue construir un sistema de iluminación para mi casco de bicicleta que puede cargar con energía solar durante el día en el trabajo, así que puedo usar para mi casa de paseo en bicicleta al anochecer. Usé mi casco bici exi
Controlador de Motor DC para la bicicleta eléctrica

Controlador de Motor DC para la bicicleta eléctrica

diseñé este controlador para mi motor del eje Crystalite gorrión 48V bicicleta eléctrica.  La función principal de un controlador de motor DC es periódicamente lee la posición del acelerador y ajusta la corriente se suministra al motor.  Esto logra c
Los mejores consejos para una central eléctrica aumentar su eficiencia.

Los mejores consejos para una central eléctrica aumentar su eficiencia.

El mundo necesita energíaComo la población mundial ha crecido a un asombroso 7,106 billones en 2012 y se estima que aumente a 10,9 billones en el año 2050 que ha dado al mundo un gran problema que es, ¿cómo se supone que debemos sostener una població
Estación de carga USB para múltiples dispositivos

Estación de carga USB para múltiples dispositivos

tenido una situación donde¿1) llegar Casa y todos los dispositivos se están quedando sin jugo?Tienes que cargar a todos pero sólo tienes que muchos puertos USB en tu PC y necesitan libertad para otro propósito.2) tienes muchos cables conectados a sus
Llave para una bicicleta de pedal

Llave para una bicicleta de pedal

comencé a sentir un pequeño golpe en el pedal izquierdo en mi viejo 10-velocidad y pensó los rodamientos pueden haberse aflojado.  Pero, cuando examinó, vi que había comenzado el eje del pedal para sí mismo de la manivela.  En casa tengo una llave de
Manijas a la medida para una barbacoa eléctrica

Manijas a la medida para una barbacoa eléctrica

vivir en un apartamento en el segundo piso tiene algunas desventajas. Uno de ellos no se debe utilizar una barbacoa de carbón o gas, me vi obligado a utilizar un eléctrico. Bastante bueno para mí, hasta el primer uso. Las empuñaduras plásticas no pud
La creación de una pieza de recambio para una herramienta eléctrica en ninguna parte está disponible.

La creación de una pieza de recambio para una herramienta eléctrica en ninguna parte está disponible.

Bien, tal vez no es el tema más glamoroso, pero existe una necesidad real para este proyecto.A veces piezas de repuesto no están disponibles en cualquier lugar. Un problema surgió para mí recientemente, y era capaz de crear la pieza con AutoDesk Inve
Bicicleta eléctrica (ebike) montaje del Kit de conversión - motor del eje, instalación del paquete del controlador y la batería

Bicicleta eléctrica (ebike) montaje del Kit de conversión - motor del eje, instalación del paquete del controlador y la batería

Este instructivo está diseñado para ayudarle a ahorrar tiempo y problemas si usted decide convertir tu bici en una bicicleta eléctrica con un kit de conversión bicicleta eléctrica.actualizaciones 18/11/2010:Ahora doble reviso todos los proveedores de
CFL faro y luz trasera para bicicletas (eléctricas)

CFL faro y luz trasera para bicicletas (eléctricas)

"Eléctrico" está entre paréntesis porque la necesidad de CFL (lámpara fluorescente compacta) un voltaje de DC lo suficientemente alto como para iniciar y llevar una batería tan grande alrededor de la moto no es práctico a menos que ya necesite p
Utilizar tu viejo cargador (Mini-USB) para cargar cualquier USB cargable de phone/MP3 Player/iPod Touch/iPhone/iPad de $1,61

Utilizar tu viejo cargador (Mini-USB) para cargar cualquier USB cargable de phone/MP3 Player/iPod Touch/iPhone/iPad de $1,61

Intro:Ahora usted puede tener un cargador en casa y en el trabajo! O simplemente tener un repuesto en el bolso.Este instructable proporciona una forma práctica de usar un viejo cargador de Mini-USB lejos almacenado de anteriores teléfonos celulares o
¿Construir una bicicleta personalizada

¿Construir una bicicleta personalizada

ahora, tiene, como un niño o un adulto siempre quiso construir una bicicleta personalizada?  Estoy seguro que algunas personas tienen ya sea una bicicleta pedal motorizada para un lleno en motocicleta.  Sin embargo, como usted tal vez consciente, pue
Transportar una bicicleta extra en el Xtracycle - fácil portapalets de Monte

Transportar una bicicleta extra en el Xtracycle - fácil portapalets de Monte

muy divertido con el Xtracycle http://www.youtube.com/watch?v=mbgqsGwZj4s&feature=g-uplLa bici del cargo Xtracycle es famosa por acarreo de todo el mundo y nada.  De vez en cuando también necesita transportar una bicicleta extra.   Pero normalmente l