Paso 6: ¿Cómo hacemos un Latch SR?



Hice el diagrama de arriba en mi teléfono Android usando una aplicación llamada "Droid Tesla". Es una forma de construir circuitos y probarlos antes de construirlos físicamente en un protoboard.
Como se puede ver por el diagrama simplemente he tomado una SR-cierre de dos puertas NOR y cableado de las entradas a 5V a través de un pulsador, y entonces alambré las salidas a través de un LED, luego una resistencia y luego tierra. Luego he probado en Droid Tesla y había encontrado que funciona exactamente como quiero. Si pulse uno de los botones LED se enciende y entonces la única forma para cambiar LEDs es pulsar el otro botón.
Probablemente están diciendo, "seguro. Todos vemos que es una gran manera de almacenar un bit de datos, pero no podemos construir este circuito en un protoboard porque usted todavía no nos dijo cómo hacer una puerta NOR!!!!"
La manera de hacer una puerta NOR es usando transistores.
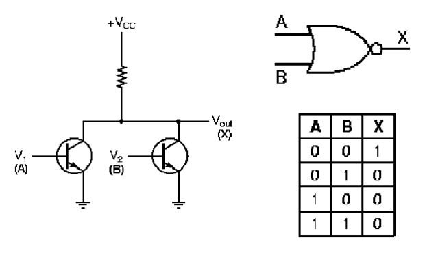
Mira la segunda foto. Se trata de un transistor NPN y podemos hacer una puerta NOR con dos de ellos. Un transistor funciona es que pones 5V en el pin del emisor, 0V en el pin del colector, y no pasará nada hasta que te ponen una pequeña corriente en el pin de la base. Si hay corriente en el pin de la base entonces el transistor actúa sólo como un simple alambre viejo. Si nos fijamos en el diagrama pasado que he dado puedes ver que la utilización de las bases como mis entradas y conectar la irradiacion a la tierra y el colector a 5V entonces si cualquiera de las entradas es en el Vout será derribado a tierra o 0V. Si ninguno de ellos son, entonces la Vout será el voltaje 5V de la fuente. Esta es la tabla de verdad de una puerta NOR.
¿Así que ahora sabemos cómo hacer una puerta NOR de derecha dos transistores?
Ejercicio 4: ¿Cómo hacer una puerta y de dos transistores?
Ejercicio 5: ¿Cómo hacer un Latch SR? ¿Puede hacer dos puertas NOR y luego conectar el derecho de votos? Dibuje hacia fuera en un pedazo de papel.