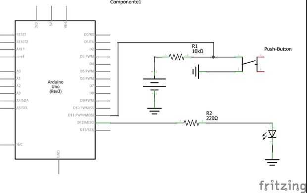
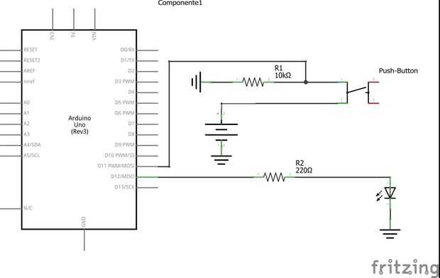
Tutorial botón (5 / 5 paso)

Paso 5: accesorios

Archivos adjuntos:

-Arduino Sketch (.ino);

-Simulación fritzing (.fzz);

-Proteus: ISIS esquema captura de simulación (. DSN); (Librería de Arduino requerida)

-Fotos.

Artículos Relacionados

Fácil tutorial botón Hack - Wireless Game Show zumbador -

Fácil tutorial botón Hack - Wireless Game Show zumbador -

Hola chicos,Creé una trivia basado flash juego para uno de mis escépticos en los eventos de Pub. Se utiliza para conectar hasta un viejo teclado, cables, botones de mano, sólo tres concursantes en un momento. Algo exclusivo para el resto de las perso
Cómo hacer botones de "guardar nuestro estado parques"

Cómo hacer botones de "guardar nuestro estado parques"

mostrar su apoyo a parques estatales de California haciendo y usando estos botones de "guardar nuestros parques de estado". Ponga en su mochila, gorra o camiseta mientras están fuera senderismo y ayudar a difundir la palabra que los californiano
Alambre envuelto botón bisel colgante Tutorial

Alambre envuelto botón bisel colgante Tutorial

http://www.JewelryLessonVideos.com presenta: alambre envuelto botón bisel colgante Tutorial. En esta lección, Susan Karczewski diseñadora de joyería publicados y el propietario del ronroneo-FECTAMENTE único estudio de diseño y Boutique en Pierceton I
Cómo utilizar un botón - Arduino Tutorial

Cómo utilizar un botón - Arduino Tutorial

Pulsadores o interruptores conectan dos puntos en un circuito cuando se presionan. Este ejemplo se enciende un led cuando se presiona una vez el botón y apaga cuando se pulsa dos veces.En este tutorial aprenderás cómo utilizar 'bandera' variable para
Tutorial de Arduino botón

Tutorial de Arduino botón

qué es más simple y más tonto que un botón, preguntar...Digo: detrás de un botón, pueden ocultar cosas inesperadas. Y dentro de un programa que hace varias cosas, el manejo de un botón puede ser complicado. Lo bueno es que se pueden construir interes
Tutorial de microcontroladores parte 10: Crear un juego (el botón)

Tutorial de microcontroladores parte 10: Crear un juego (el botón)

Ahora estamos listos para aplicar lo que sabemos y hacer un juego real. El juego consistirá en un par de botones y dos conjuntos de LEDs (2 filas de 7). El objetivo del juego es ver que entre dos personas puede presionar su botón más veces en la meno
Tutorial: Anillos de botón DIY

Tutorial: Anillos de botón DIY

grandes, llamativos anillos añadir un factor wow a tu look total y si usted está buscando una pieza única, no necesitan buscar demasiado lejos. Emparejado con un anillo base y un botón fresco, jazzy se puede crear una pieza de joyería única, DIY. Y t
Hacer un botón tecla Enter!

Hacer un botón tecla Enter!

El Todopoderoso Intro! Este oh-tan-satisfacción presentar clave merece un botón especial para todos los de utilidad!Aprender a programar un MaKey MaKey y construir tu propio awesome y modificado para requisitos particulares botón entran! Bono: inclus
Hierro hombre Cosplay botas

Hierro hombre Cosplay botas

Si usted es un fan de Iron Man y le encantaría cosplay traje replica pero no tienen el dinero y tiempo para hacer un traje de Iron Man completo este es el proyecto perfecto para usted. A nivel personal, admiro profundamente a la serie de cómics de Ir
Cómo utilizar el Sensor de flujo de agua - Tutorial de Arduino

Cómo utilizar el Sensor de flujo de agua - Tutorial de Arduino

En este tutorial usted aprenderá cómo utilizar un sensor de flujo de agua con una placa Arduino.El sensor de flujo de agua consiste en un cuerpo de válvula de plástico, un rotor de agua y un sensor de efecto hall. Cuando el agua fluye a través del ro
BlackMarket Mods DS4 cara botón activa

BlackMarket Mods DS4 cara botón activa

BienvenidaEste es un tutorial a seguir con el modelo de Shapeways ofrecido en mi tienda. Usted puede encontrar la pieza disponible aquí. Llegué a este diseño basado en mi experiencia con el estilo popular actual del diseño de la paleta de botones de
Inteligente de bote de basura - para una Smart City

Inteligente de bote de basura - para una Smart City

Contenedores rebosantes de basura han sido otro motivo de preocupación para los residentes en los países en desarrollo. Con aumento en la población, el escenario de limpieza con respecto al manejo de la basura es degradante tremendamente. Con las enf
Perdió el bastidor de espuma - botón Play YouTube

Perdió el bastidor de espuma - botón Play YouTube

Hey todo el mundo! Últimamente he estado viendo muchos videos de aluminio fundido y quería seguir adelante y tratar de lanzar algo yo. Las posibilidades son infinitas con este material y literalmente puede hacer lo que quieras de aluminio sólido! En
Botón tapa frascos

Botón tapa frascos

Recicla tus viejos frascos y hacer un lindo set de frascos con tapa de botón a organizar los suministros.Paso 1: Ver el video tutorial aquí!Paso 2: Usted necesitaráTaladroRestos de maderaMartilloFrascos con tapas de metalAmericana decoración calcárea