Paso 3: Resistencia pulsador y Pull-up/Pull-down.

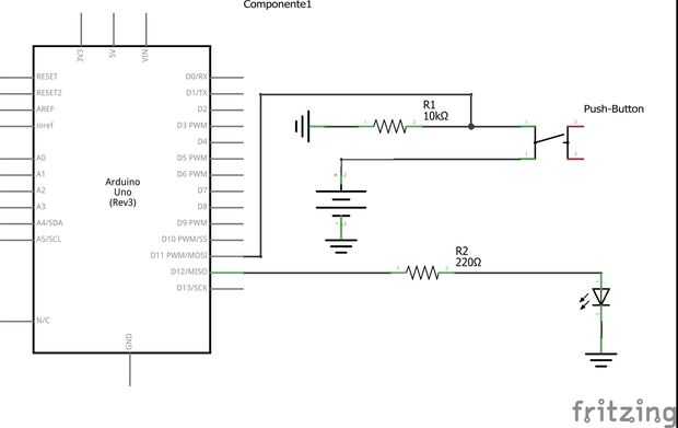
-Botón y Resistor de Pull-down:
Por otro lado, si desea utilizar la resistencia de pull-down (recomendada en este ejemplo), hará que el inverso de la resistencia de pull-up. 5V está conectado a la pierna del primer botón y la segunda etapa está conectada a la resistencia y luego conectada a la tierra. El pin 11 va entre la resistencia y la pierna del botón.
La imagen cargada muestra la resistencia de pull-down esquemático desarrollada usando Fritzing.