Paso 12: Día 12 - 22 de febrero de 2012
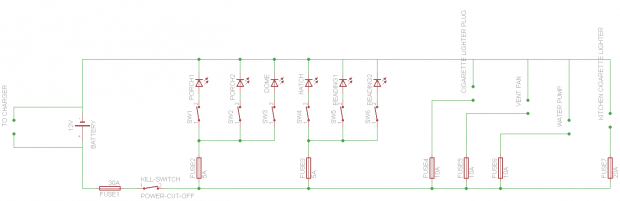
Comencé el cableado para las luces y la ventilación. Voy a tener luces del porche 2, uno en cada pared lateral, una luz de domo para interior, 2 luces de lectura y del ventilador. También permito algunos cables extras para una radio y altavoces. Aquí está el esquema básico sobre cómo voy a instalar el cableado.
La estructura que se instala en las paredes, junto a la parte trasera, es el apoyo en la pared de la litera que estoy haciendo para nuestra hija de 3 años de edad.

El pórtico luces cables.

Este es el combo de estufa fregadero tenemos para la cocina. Se ve azul porque es cubierto con una película protectora para el envío, pero el fregadero y la estufa es de acero inoxidable.

Aquí es el tamaño del combo fregadero-estufa en comparación con el tamaño de la parte posterior de la lágrima. Puede ver los cables en el lado derecho, es donde voy a instalar la caja de fusibles. Voy a tener que etiquetar los cables, necesito saber que es lo que.
