Paso 1: Piezas que necesita

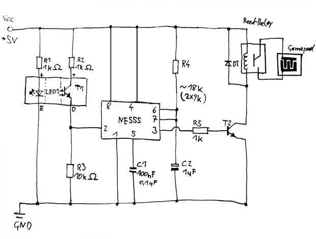
Para prolongar la señal usar un multivibrador monoestable (MonoFlop) que una vez había desencadenado mantiene el estado inestable por un tiempo determinado.
El corazón de esto es el temporizador NE555 IC.
- resistencias de 1kOhm x 3
 - resistencias de 10kOhm x 3 (en realidad uso 1x10k y 2x9k. Usted podría utilizar 2x10k y 1x10k poti)
 - 1 x LED (yo uso un "LED 5V" con una resistencia integrada). (opcional y no en el dibujo... sólo tiene que colocar paralelo al relé de láminas y diodo)
 - 1 diodo de x
 - Temporizador NE555 IC
 - Algún tipo de sensor o aluminio cinta de papel de aluminio y cobre para un "deadstrip" (yo uso un sensor IR-slot TCST2103, un espacio de 4mm probablemente sería mejor que los 3,1 mm de la 2103).
 - 100nF (0, 1uF) condensador
 - condensador de 1uF
 - Transistor Darlington BD679
 - Fuente de alimentación de 5V (antiguo cargador USB)
 - Un protoboard, algunos cables o lo que usted elige para construir el circuito.
 - Gamepad USB (con cable o 2,4 Ghz)
 - Laptimer2000
 
Las partes le costará alrededor de ranura de 6€ o menos si uso el deadstrip, comprar más barato que me o salvar la mayoría de la electrónica de algunas otras cosas.
He comprado un Gamepad con cable en Aliexpress por 3,71€, el pad inalámbrico por 13€.