


Esto continúa y termina mi búsqueda de un trabajo Gamepad-Slotcar-temporizador-interfaz USB.
Mis primeros ensayos y las bases se pueden encontrar aquí:
y aquí
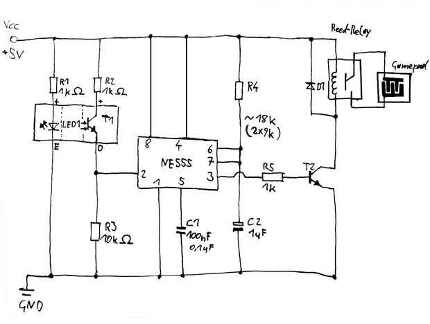
Esto es v3.0, ahora el sensor activa un temporizador y se puede establecer el tiempo de la señal hacer USB detectar confiablemente.