Paso 5: El circuito


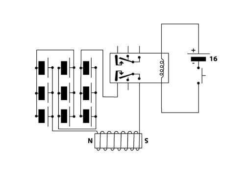
1. ésta es la disposición del circuito (Ver PDF). Uno puede ver los 3 bloques de baterías, relacionados con el e-imán y el relé. El relé es alimentado por su propio circuito de batería, (visto en la imagen anterior) y encendido por pulsador.
2. una prueba del circuito: en lugar del imán hay una lámpara de control, el interruptor no es el interruptor más adelante para ser utilizado en el mango, pero el diodo iluminado demostró el sistema trabajado.