Touche para Arduino: avanzado sensor de tacto. (2 / 5 paso)

Paso 2: Construir el hardware

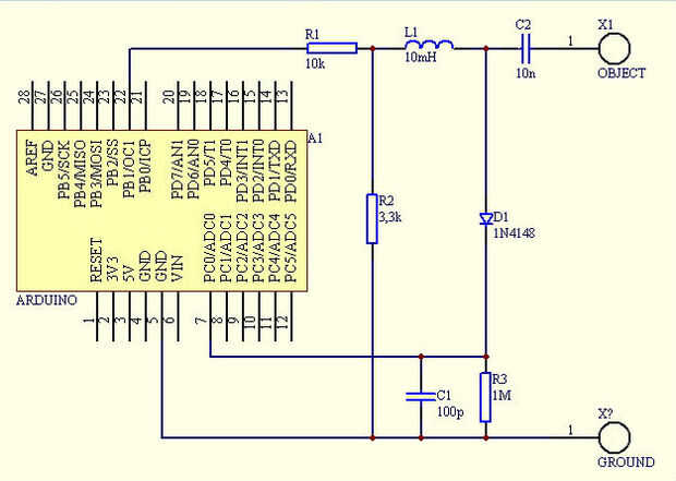
El escudo debe ser construir según el esquema aquí. He incluido una foto del escudo terminado por lo que usted puede ver el prototipo real.

Artículos Relacionados

Tutorial Arduino: Sensores de tacto capacitivo

Tutorial Arduino: Sensores de tacto capacitivo

Hola a todos!Este instructable es un tutorial que le guiará en el uso de los sensores de tacto capacitivo con Arduino. Un sensor capacitivo es una especie de sensor táctil, que requiere poca o ninguna fuerza.En este Instructable sobre táctil capaciti
SensoDuino: Convertir su teléfono Android en un concentrador de sensores inalámbricos para Arduino

SensoDuino: Convertir su teléfono Android en un concentrador de sensores inalámbricos para Arduino

Actualizaciones23 de noviembre de 2013: SensoDuino 0.160 obtiene una cara izquierda.19 de noviembre. 2031: opinión: la increíble sinergia entre Arduino y Android.19 de noviembre de 2013: SensoDuino 0.159 está hacia fuera. Fecha teléfono Android (y, m
Sensor de presión y pre-amp de Mike de sonido para Arduino

Sensor de presión y pre-amp de Mike de sonido para Arduino

he publicado una sonido presión Sensor para arduino (u otro microcontrolador) antes.Se basó en un TLC272 doble Op-amp y lo hizo muy bien.Una de las personas reacciona aunque estaba preguntando si lo había hecho ningún análisis de ondas sonoras con él
Kit de bricolaje para Bluetooth Motion Sensor, Arduino, BluTule.

Kit de bricolaje para Bluetooth Motion Sensor, Arduino, BluTule.

Este es un instructivo cómo crear un sensor de movimiento que reacciona en el movimiento de humanos y de animales y se lo notificará en su smartphone. Es también una instrucción de cómo montar su kit de bricolaje de Blutule campaña de Kickstarter.Pas
Sensor de pulso LED (PPG) para Arduino

Sensor de pulso LED (PPG) para Arduino

Dentro de este Instructable te mostraré, cómo implementar un simple sensor PPG (photoplethysmogram) para arduino. Este dispositivo utiliza luz infrarroja para medir pulso usted. Puede conocer esta técnica de los sensores del pulso de la yema del dedo
Sensor de presión sonora para Arduino basado en tablero de ZX-sonido

Sensor de presión sonora para Arduino basado en tablero de ZX-sonido

Existen una serie de sensores de sonido para el Arduino, algunos de ellos bastante baratos cuando necesitaba uno, pensé que un mismo edificio era locura y me lancé a comprar uno.Primer pensamiento fue supuesto comprobar hacia fuera Dealextreme.com si
VDO Oilpressure sensor para Arduino

VDO Oilpressure sensor para Arduino

la Idea es hacer una lectura de sensor 7.0 pulgadas TFT (800 X 480) instrumento para mi pequeño bote.Tiene un a bordo Yanmar 3gm 30 3 cilindros diesel. El motor es tan simple como se pone.Hay sólo dos indicadores a bordo (combustible y á medidor RPM)
CupBots - 3D plataforma robótica impresa para Arduino y frambuesa Pi

CupBots - 3D plataforma robótica impresa para Arduino y frambuesa Pi

Aquí es un proyecto de robótica de gran fin de semana para emprender con amigos o gente en su espacio local del fabricante. Usted necesitará una impresora 3D práctico 3D impresión los archivos STL adjuntan como parte de los pasos a continuación y una
Arduino Nano: Sensor acelerómetro giroscopio MPU9250 brújula I2C con Visuino

Arduino Nano: Sensor acelerómetro giroscopio MPU9250 brújula I2C con Visuino

MPU9250es uno de los más avanzados sensores de tamaño pequeño acelerómetro, giroscopio y brújula actualmente disponibles combinados. Tienen muchas características avanzadas, incluyendo filtrado de paso bajo, detección de movimiento e incluso un proce
Cómo convertir tu smartphone en un escudo genérico para Arduino

Cómo convertir tu smartphone en un escudo genérico para Arduino

Hola chicos, soy uno de los creadores de 1Sheeld, es una aplicación móvil y una placa que convierte tu smartphone en una plataforma abierta para Arduino.ComponentesArduino Uno $19,991Sheeld $54,94Protoboard, puentes, LEDsLa idea básicamente es hacer
Arduino Uno - Sensor de llama

Arduino Uno - Sensor de llama

En este Instructable, muestro cómo alambré, programado y ve un Sensor de llama OSEPP con mi Arudino Uno.Este pequeño dispositivo se va a venir práctico con mis metas para el futuro en la automatización, así como algunos limpio alrededor de la casa de
ArduDroid: Un Simple 2-Way Bluetooth controlador basado en Android para Arduino

ArduDroid: Un Simple 2-Way Bluetooth controlador basado en Android para Arduino

ACTUALIZACIONES:19 de noviembre. 2031: opinión: la increíble sinergia entre Arduino y Android.30 de octubre de 2013: Andruino está ahora oficialmente ARDUDROID y pronto estará disponible en Google Play. Este cambio de nombre para evitar conflicto con
Tambores de guante MIDI con Arduino y sensores de luz

Tambores de guante MIDI con Arduino y sensores de luz

voy a describir una divertida y fácil manera de construir su propia expresión sonido MIDI habilitado guante sin gastar mucho dinero en costosos sensores o Interfaces MIDI.Sienta libre de entrarme en contacto con directamente por correo si gusta o si
Reproductor de música Android en vez de Arduino y Sensor

Reproductor de música Android en vez de Arduino y Sensor

Imagina a tu reproductor de música que juega usted, un jugador de ese sentido ambiental luz, temperatura y el tiempo que afecta el estado de ánimo de una persona y elegir una canción categorizan como Estados de ánimo. Porque no tengo un sensor que pu