Todo programador de pic (2 / 5 paso)

Paso 2: esquemas

Artículos Relacionados

Programador de PIC JDM simple

Programador de PIC JDM simple

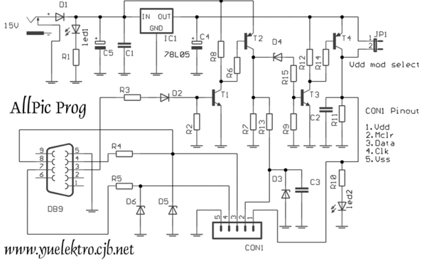
he construido este proyecto para grabar mi PIC pequeñoSe trata de obras un programador serial RS232 (puerto serial del PC), conocido como programador JDM, gracias a th que contiene el esquema y el software del programador.El programador está alimenta
Programador de PIC de la tarjeta

Programador de PIC de la tarjeta

este fue mi entrada para el concurso de Hack A Day tarjetas tamaño circuito. Acabo de comprimir los archivos y ponerlos en mi página web. Les dejo lo aquí porque todas las entradas parecen estar en un blog de fácil acceso. Esperemos que esto que el p
La 2$ USB Programador de Pic y el Cable Serial

La 2$ USB Programador de Pic y el Cable Serial

Este programador está diseñado para personas que necesitan un programador de pic de microchip flash en el archivo hexadecimal en un micro controlador, pero rara vez y buscar invertir en un kit de pic de una especie demasiado caro. El proceso de progr
GTP USB Programador de PIC (fuente abierta)

GTP USB Programador de PIC (fuente abierta)

este trabajo incluye, GTP USB (no plus o lite).Esquema e imágenes de PCB han sido desarrollados por PICMASTERS basado enalgunos valiosos trabajos realizados antes.Este programador es compatible con pic10F, 12F, 16C, 16F, 18F, Eeprom 24Cxx.Por desgrac
Programador de PIC JDM menta

Programador de PIC JDM menta

detalles de este proyecto cómo construir un programador de estilo JDM para programar microcontroladores PIC de Microchip ICSP (en circuito Serial Programming) y freeware software (PICPgm).  Total costo del proyecto: menos de $10.  Este dispositivo ha
Simple 3 programador de PIC de resistencia

Simple 3 programador de PIC de resistencia

microcontroladores juegan un papel muy importante en la electrónica, ya que son capaces de realizar las tareas de automatización, control, procesamiento de imágenes, entre otros. Su uso es inmenso. Hay varias familias de microcontroladores, una de el
Cómo hacer un programador de pic universal usb PICkit 2

Cómo hacer un programador de pic universal usb PICkit 2

Nosotros Suscríbete en YouTube para actualizaciones http://www.youtube.com/channel/UCsSdGsFs8Cby3oxiMHTCNEg?sub_confirmation=1PICKit2 es un dispositivo de alimentación USB, que se obtiene energía del USB de la PC + fuente de alimentación 5V. USB micr
JDM2 basado en PIC programador

JDM2 basado en PIC programador

esquema y layout para un programador JDM2 foto actualizado. Incluye reloj y filtro de datos, divisor del voltaje Vpp para microcontroladores PIC moderno (por ejemplo USB PIC 18F2455/4455).Antes de leer sitios como www.hackaday.com & www.makezine.com/
Programador PIC USB

Programador PIC USB

Bien traigo programador pic casero, barato clon pickit2 y soporte de productos microchip pic 18F2550 se utiliza, este controlador tiene un voltaje de salida de 3.3v y 5v para diferentes pic que utilizan voltajes diferentes.Así se construye este progr
¿Fácil manera para organizar lápices, audífonos, y Washi Tape todo en uno "estructura"

¿Fácil manera para organizar lápices, audífonos, y Washi Tape todo en uno "estructura"

alguna vez has tenido que hacer un viaje o solo tienes un espacio reducido en heneral? Que este es el proyecto para usted!Paso 1: Lo que necesita Todo lo que necesitas es lo que necesita para organizar: 3 cosas. Lápices, auriculares y cinta de washi.
¿Monopatín con LEDs y microcontrolador PIC

¿Monopatín con LEDs y microcontrolador PIC

lo que se obtiene cuando un ingeniero construye un patín desde cero para regalo de Navidad a 13 años de edad? Usted consigue un patín con ocho LEDs blancos (linternas), ocho LEDs rojos (tailights) todos controlados por PIC microntroller! Y añadiré, u
Programador 18f4550 en diez años

Programador 18f4550 en diez años

realmente me tomó 10 años para construir ese programador!No te sorprendas, realmente comenzó a construir el circuito de programación original de Microchip PIC 16F84 (JDM 2) en 2003 y terminado en 2 días. Luego en 2013, he encontrado que puede ser reu
Introducción a microcontroladores PIC

Introducción a microcontroladores PIC

un mínimo de lo que necesitas para empezar a programar micros PIC para el uso en proyectos de electrónica (robótica, etc.)Paso 1: Lo que usted necesita para el proyecto Nota: parece que si tienes windows XP, no hay ningún software de programador PIC
Medidor de voltaje inalámbrico Bluetooth con Wiimote + Chip Pic AutoIt

Medidor de voltaje inalámbrico Bluetooth con Wiimote + Chip Pic AutoIt

en este tutorial voy a estar mostrando cómo puede enviar valores de tensión a su pc usando un chip Pic, Wiimote, y lenguaje de scripting Autoit3. El proceso funciona conectando un chip pic a las almohadillas de botón de un wiimote. Entonces usando lo