Paso 5: Posibles modificaciones

Un cambio fácil es añadir un interruptor momentáneo normalmente entre la entrada de U1D y tierra o la salida de U1D y la alimentación positiva. Esto permitiría desencadenar una captura en cualquier momento. También sería restablecer cualquier conteo binario que se ha producido un extraño interactuando con el tiempo en los segundos configuración y reiniciar efectivamente el intervalo sobre el Acta de establecimiento.
El mod que más recomiendo es reemplazar el bote con un pote lineal de 1M en paralelo con un resistor de k 120. En este arreglo desea utilizar los dos estirones más a la derecha (mirando la parte delantera del bote) y funciona al revés de funcionamiento normal. Conectando a las asas de la izquierda sería como usar una olla reverso-log y es lo contrario de lo que tu quieras, pero prueba su tiempo antes de hacer algo permanente, sólo para asegurarse. Para obtener más información sobre custom control de la forma cónica de una olla Echale el sitio Elliot Sound productos .
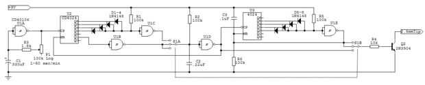
Para los aventureros por ahí he añadido un esquema que agrega otro 2024 para dividir la señal de minutos por 60 para extender su tiempo de 1-60 horas. Usted necesitará por lo menos un interruptor DP3T, probablemente más fácil de encontrar en forma rotativa. Este circuito está sin edificar y no comprobado. Puede que necesite ajustar C3 para conseguir que el fuego correctamente. Corriente de corriente alterna se recomienda definitivamente aquí. Me dejan saber como funciona esto si decides construirlo.













