Paso 2: esquemático


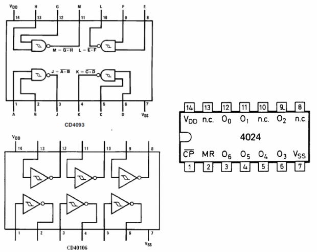
-Conexiones no se dibujan. Conecte la energía positiva al pin 14 y tierra al pin 7 de todos los chips
-Recomiendo este edificio en un protoboard antes de comprometerse a la soldadura.
-Tensión de alimentación de 3 a 15 voltios debe funcionar, pero podría estropear el momento. A fuente bien regulada es recomendado si no utiliza una batería.
-Puedes utilizar cualquier CMOS invertir disparador de Schmitt. Usé el 4093 porque lo tenía. No te olvides de atar cualquier entradas no utilizadas para la alimentación o tierra, chips CMOS pueden oscilar y causar problemas cuando las entradas del flotador.
-Un pote cónico registro (audio) te dará un ajuste más exacto del intervalo en el extremo inferior y le ahorrará un dolor de cabeza cuando están tratando de establecer un tiempo entre 1 y 10 segundos. Busca en la parte delantera del bote, utilice los dos estirones más a la izquierda para su conexión. Otra vez, verifique que el último paso de una alternativa.
-Algunos capacitancia a través de la alimentación es una buena idea, especialmente si vas a ejecutar tu circuito apagado sin batería, una .1uF película o cerámica en paralelo con alguna mayor electrolítico es probablemente overkill, pero funcionará.
Osciladores de trigger - Schmitt no son muy precisas. Tensión de alimentación afecta a la frecuencia. Mis 100 pot k fue realmente 96k y mi cap 330uF fue 3 casquillos de 100uF en paralelo y mi tiempo salió a casi exactamente 1-60 seg/min. Si usted está preocupado acerca de la sincronización exacta, juega con sus valores y un cronómetro para hacerlo bien.
-Si el circuito parece estar funcionando, pero no disparar su cámara, intente aumentar el tamaño de la tapa del .22uf. Esto debería aumentar el tiempo de disparo, permitiendo que la cámara suficiente tiempo para darse cuenta de que necesita para tomar una foto.
-Puede utilizar LEDS conectados a las salidas de 4024 a través de resistencias de k 1 para confirmar visualmente que el circuito está funcionando. El circuito debe activar en el tiempo con Q0 en los segundos configuración y una vez que los bits de "salen" a Qs 3, 4, 5 y 6 del Acta de ajuste.













