



Aquí están algunas instrucciones sobre cómo hacer su propio theremin fotocélula dentro de una caja de Altoids:
Piezas
(2) 555 temporizadores
(2) las fotocélulas o fototransistores
(2).01 condensadores mF (juego con diferentes tamaños para diferentes sonidos)
(1) resistencia de 1 K
(1) 1/8" hembra entradas o altavoz
(1) cable de conexión
(1) interruptor de palanca
(1) luz del indicador LED
(1) de 9V y conector de batería
(1) Altoid caja
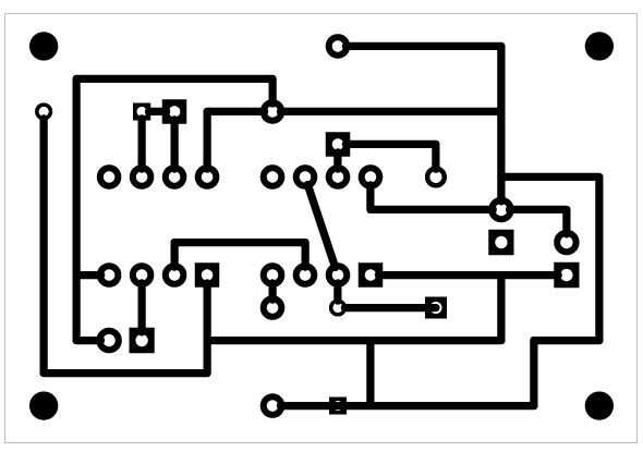
El esquema del circuito es superior (tomado de ciencia popular) junto con el diseño de PCB (diseñado utilizando Fritzing utilizar el archivo fzz para etiquetas y parte de posicionamiento, nota segunda batería con la etiqueta ToggleSwitch no es una batería, sino un conmutador).
Aquí es un proyecto que he creado utilizando este circuito como punto de partida como un ejemplo para mostrar cómo usted puede conseguir creativo con él!
Documentación para luz Hum:
http://ITP.dannewoo.com/2012/12/Light-Hum-2/
¡Que te diviertas!
Danne