Termómetro de 35 LM (2 / 9 paso)

Paso 2: esquemático

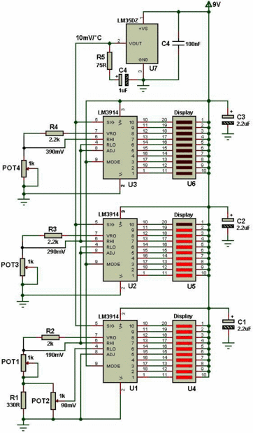
Este es el esquema que vamos a seguir. Omití el 2,2 uF condensadores.

Artículos Relacionados

Termómetro en interruptor de pared

Termómetro en interruptor de pared

Proyecto simpleEs realmente sencillo proyecto sin cualquier microprocesador.Necesitaba indicar y controlar la humedad, la temperatura en algunas habitaciones de la casa de la familia. Para encontrar el lugar adecuado para instalar termómetro/higrómet
Bufanda de termómetro de Neopixel gigante

Bufanda de termómetro de Neopixel gigante

Pluma de motor, es exterior frío.Hacer esta bufanda vestibles tech alta tecnología, baja con un termómetro incorporado.Ya no se estarán preguntando cómo mucho frío es cuando paso fuera.Esto es conveniente como un proyecto bonito principiante profundi
Construcción de termómetro de bricolaje compost $2

Construcción de termómetro de bricolaje compost $2

Aquí están algunas instrucciones básicas sobre cómo construir un $2 termómetro de compost utilizando fuentes fácilmente disponibles. Parece cutre (en un buen rústico tipo de forma), pero funciona muy bien y utiliza pocos materiales.Realmente no neces
Arduino OLED termómetro e higrómetro con DHT11 para principiantes

Arduino OLED termómetro e higrómetro con DHT11 para principiantes

¡ Hola! Voy a mostrarte cómo hacer un Arduino OLED termómetro e higrómetro * con DHT11.El OLED que utilizamos hoy en día es 1.3″ pulgadas en tamaño, características 128 × 64 píxeles y usa el Bus SPI. En el siguiente paso encontrará más información út
Un termómetro adecuado

Un termómetro adecuado

Una noche bien te das cuenta de que están recibiendo una fiebre. ¿Preguntas como debo ver a un médico en este momento de la noche o debo esperar hasta mañana, es mi fiebre que uno malo o suave? comenzar rebotando en la cabeza. Usted revise su botiquí
Termómetro de VFD-tubo

Termómetro de VFD-tubo

Este es un tutorial corto sobre mi termómetro tubo de VFD. Lo construyo porque me gustó un termómetro interior que nadie, excepto yo.He utilizado los tubos de VFD porque me gusta el estilo retro.Para medida de temperatura que utilicé un DS1621 conect
Termómetro de tubo Nixie bargraph analógico en 13

Termómetro de tubo Nixie bargraph analógico en 13

este es un proyecto para un gráfico de barras ruso IN-13 tubo de Nixie para utilizar como un termómetro de habitación interior.Se llama "NixieTherm" y también está disponible como un recinto de incluido kit completo como se muestra en www.Nixiek
Termómetro interior/exterior reloj/Nixie de VFD Retro Fit Linden manto de reloj

Termómetro interior/exterior reloj/Nixie de VFD Retro Fit Linden manto de reloj

Me decidí a hacer algo que no había visto todavía y combinado (2) separar la electrónica usando pantallas de tubo de vacío de diferentes tipos (2) para hacer esta exhibición única. Nixie tubos para el termómetro y VFD (vacío flouresent pantalla) para
TempBug: termómetro conectado a internet

TempBug: termómetro conectado a internet

En enero pasado, tuvimos algunos problemas con el calor en mi oficina. Específicamente, el tipo de problemas en donde el calor no es, que suba y todavía no no encendido. Esto se encendió por más de unos días y terminó un día o dos después de que cons
Termómetro Digital DIY

Termómetro Digital DIY

este instructable le mostrará cómo hacer un termómetro que muestra la temperatura del aire.No es el termómetro más preciso en el mundo, pero para este precio y el hecho de que es casero...Paso 1: partesSe necesita:1 x ATMega8pantalla de 2 x 7 segment
Termómetro de barbacoa Chef IMP: Internet-Connected

Termómetro de barbacoa Chef IMP: Internet-Connected

cuando era un niño, cocinar nuestras vacaciones pavo o asado con uno de los termómetros poco pop-up que usted simplemente pega en el pájaro, que aparece (probablemente) cuando el pájaro está hecho, o por lo menos seguro para comer. Teníamos un montón
Smart termómetro Personal con Arduino

Smart termómetro Personal con Arduino

Este instructable es preparado como parte de nuestra tarea para TfCD (tecnología para el diseño de concepto) el curso en TU Delft. Se prepara el siguiente instructivo:bo Koperdraat: 4209567Karthik Mahadevan: 4501578En este instructable aprenderá a co
Hacer un termómetro digital

Hacer un termómetro digital

en este instructable, usted aprenderá cómo hacer un simple termómetro digital por menos de £10 utilizando algunos componentes simples y 1 IC.Proyecto terminado debería ser algo como esto:Paso 1: Las partesAquí está una lista de todas las piezas que n
Con un solo LED RGB o una tira de LED para mostrar información: reloj, termómetro y un comunicador raro

Con un solo LED RGB o una tira de LED para mostrar información: reloj, termómetro y un comunicador raro

Uno de los primeros proyectos que hice con un Arduino era una guirnalda de luces de Navidad. De hecho, fue hecho de una tira de LED RGB sencilla cortar en dos, como Arduino tiene sólo 6 salidas PWM de hardware. No quería triviales arcoiris y colores
Termómetro infrarrojo portátil

Termómetro infrarrojo portátil

Este Instructable demostrará cómo hacer un termómetro auricular usable, móvil. Este termómetro utiliza un sensor de temperatura infrarrojo y depende de la radiación timpánica a las lecturas de temperatura adquirida. Estas lecturas serán capaces de al