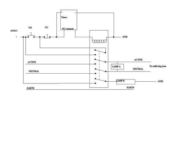
Paso 1: La idea básica.

-El soldador puede activarse con sólo presionar un botón muy obvio.
-Se puede desactivarse manualmente, así, con otro interruptor.
-Si se me olvida usar este segundo conmutador, la plancha se apaga automáticamente después X período de tiempo.
-A luz le dice que el hierro está en ejecución.
-El hierro y el temporizador se pueden separar otra vez con facilidad.