Paso 2: El circuito



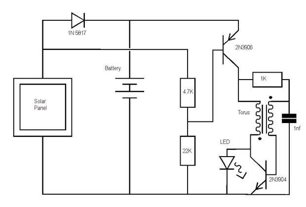
El esquema se muestra en la imagen.
Esencialmente, el circuito se puede dividir en la parte de carga a la izquierda, la luz de detección en el centro y la parte de iluminación LED de la derecha.
Durante el día, el voltaje a través de la célula solar es alta y la corriente atraviesa el diodo para cargar la batería de NiMH. Carga hasta amps C/10 h (donde C es la capacidad de la batería en amperios-hora) es supuestamente seguro para carga continua. Así que con 1000 mAh baterías debemos ser capaces de manejar 100 mA. Nuestros 70 mA de células solares en la práctica genera mA 50-55 en verano directo de UK la luz del sol por lo que estamos seguros por un factor de allí 2 - bastante mucho ideal para paquete de carga bastante rápido, pero manteniendo la batería en buen estado.
Cuando se pone oscuro, cae el voltaje en el panel. Esto puede consumir corriente significativa de la batería (llamado "corriente oscura", que suena como el lado malvado de la fuerza a mí). Por lo tanto el diodo. He usado un diodo vF baja para reducir la cantidad de o energía que quemamos el conseguir más allá de ella. Podemos aprovechar esta caída de voltaje para encender la luz cuando anochece. Es donde el transistor PNP.
Haciendo un divisor de tensión entre el panel solar y la tierra y esta conexión a la base de la PNP, nos hundimos una muy pequeña corriente emisor-base cuando el panel solar deja de tirar una tensión. Esto permite un mayor emisor-colector actual para fluir. El divisor de tensión entre la célula solar y la tierra puede controlar el voltaje de punto de interruptor y así el nivel de luz que enciende nuestra lámpara.
Una vez que enciende nuestra PNP, una corriente fluye en el circuito de la lámpara a la derecha del diagrama (y Consejo).
Desde aquí tenemos un circuito de "joule thief" de la luz. Explicación de esto es algo más allá de este Resumen, pero, una vez más, Evil Mad Scientist viene a nuestro rescate: ver aquí para una gran Joule-thief artículo y aquí en Wikipedia para una explicación más detallada. El efecto global es que luz blanco 3V LED de un 2,4 V batería recargable y puede seguir utilizar la batería como el voltaje cae. El condensador no es una parte esencial del circuito pero es genial para la eficiencia. Sin él he ido encontrando 100mA está siendo consumida de la batería! Con un 1nf condensador que cae a alrededor de 18mA pero el LED es sólo tan brillante.
Por último, el interruptor aísla la parte de joule-thief para que podemos seguir cargar la batería, pero tienen la lámpara apagada. Si desactivas esto entonces el 5-10 mA que se generan en la sombra podrían sólo podrá cargar la batería en el invierno para darle luz a una noche a la semana!