Sus motores L293D y Arduino (2 / 3 paso)

Paso 2: Aplicación avanzada

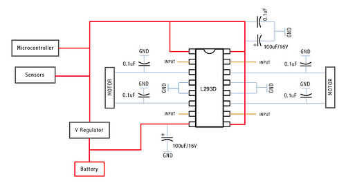
Esta es la aplicación correcta (con los condensadores) y tenga en cuenta que el pin 8 es alimentado por tensión no regulada. Esto significa que si sus motores tienen más de 5V, debe poder este pin con la cantidad de voltaje y el resto del circuito con 5V.

Artículos Relacionados

Construcción de tablero de doble controlador de Motor L293D para Arduino

Construcción de tablero de doble controlador de Motor L293D para Arduino

Hola a entusiastas de Instructables...Hoy en día comprar los tableros para los proyectos es muy caro... Pero se puede construir a muy bajo costo.Requerí tablero de conductor del motor de puente H dual L293D para mi siguiente instructables.Por lo tant
Cómo crear un controlador de tarjeta de Motor L293D para Arduino

Cómo crear un controlador de tarjeta de Motor L293D para Arduino

Estoy trabajando en un pequeño robot que puede ser controlado por un Arduino usando comunicaciones inalámbricas. Pero fui por el número de cables desde el Arduino y protoboard. Así que decidí reducir el número de alambres por hacer mi propio tablero
Proteger sus motores eléctricos (Arduino Soft Starter)

Proteger sus motores eléctricos (Arduino Soft Starter)

Cuando se arranca un motor eléctrico, la corriente puede alcanzar hasta 7 veces su funcionamiento actual. Esto significa que podrían dañar sus componentes internos y ciclo de vida disminuirá y también puede causar fallo inesperado antes de su manteni
II GOduino = Arduino + controlador de Motor L293D Velocidad Variable

II GOduino = Arduino + controlador de Motor L293D Velocidad Variable

versionesGOduino II fue presentado en dangerousprototypes.com07/04/2012 he añadido una diapositiva del presupuesto para aquellos lectores que preguntaban donde obtuve mi presupuesto < $20 para el II de GOduino.INTRODUCCIÓNEl GOduino II es un controla
Cómo utilizar el controlador de Motor L293D - Arduino Tutorial

Cómo utilizar el controlador de Motor L293D - Arduino Tutorial

El L293D es un IC de controlador de Motor de 16 pines que puede controlar un conjunto de dos motores al mismo tiempo en cualquier dirección. El L293D se diseña para proporcionar bidireccional corrientes de impulsión de hasta 600 mA (por canal) en ten
Velocidad del motor DC de Arduino y dirección L293D

Velocidad del motor DC de Arduino y dirección L293D

Este instructivo le guiará a través de las piezas y los pasos para controlar un motor Dc velocidad y dirección con la ayuda de un controlador de motor L293D puente H dual para arduino.El conductor del motor tiene dos canales que significa que pueden
Diagrama de pines del controlador de Motor L293D/NE

Diagrama de pines del controlador de Motor L293D/NE

En este Instructable le mostrará el diagrama de pines del L293D motor Driver.Antes de empezar usted debe entender que controlador de motor L293D tiene 16 pines con funciones en antihorario como se muestra en la imagen de arriba.Paso 1: Pin función So
Configuración fija distancia por Junta L293D para Arduino

Configuración fija distancia por Junta L293D para Arduino

Configuración de distancia fija entre coche elegante y cosas por Impulsión del Motor de expansión Junta escudo L293D para ArduinoEste tutorial dará el código para mostrar cómo establecer una distancia fija entre un coche robot inteligente y sujetos p
Programables de coches Robot usando Mediatek LinkIt un tablero y el IC del controlador de Motor L293D

Programables de coches Robot usando Mediatek LinkIt un tablero y el IC del controlador de Motor L293D

Con la ayuda de este Instructable, usted será capaz de hacer un coche Robot programable con Mediatek LinkIt un tablero y el IC del controlador de Motor L293D.Aquí, LinkIt una tabla se utiliza como controlador para conducir los motores en las direccio
Cómo controlar Servo motores con un Arduino

Cómo controlar Servo motores con un Arduino

Este proyecto miniatura le mostrará cómo controlar un servo motor con un Arduino, pero primero debe saber lo que un motor de servo es realmente!Los servomotores son tipos especiales de motores que no girar alrededor en un círculo, sino moverse a una
Mini CNC Arduino basado & Adafruit controlador Motor L293D v1 y 2 de la máquina * Mini Stepper reproductor de CD #1

Mini CNC Arduino basado & Adafruit controlador Motor L293D v1 y 2 de la máquina * Mini Stepper reproductor de CD #1

En este proyecto le mostrará cómo construir fácilmente su propio Arduino Mini CNC Plotter de bajo coste!Para eje X e Y, vamos a utilizar paso a paso, los motores y los carriles de dos dvd/cd-rom! Área de impresión será máximo 4x4cm.Paso 1: El Video e
Motor Bi Polar paso a paso con L293D y Arduino

Motor Bi Polar paso a paso con L293D y Arduino

Hola,Tenía un motor de pasos de Bi Polar de mentira, que va a utilizar para crear un carro para mi DSLR.Componentes utilizados:Arduino UnoPaso a paso Motor ML17A3 B (este es el modelo no en motor)ProtoboardL293DBatería de 9VAlgunos cables de puentePa
Diagrama de pines de controlador de motor L293D

Diagrama de pines de controlador de motor L293D

Hola amigos,Este es mi primer instructable.En este instructable, he mostrado el uso de sus pines con detalle y cómo utilizar L293D para el control de motores.Chip L293D es un muy populer IC para control de motores mediante MCU.Puede controlar dos mot
Control de un motor DC con Arduino y Visual Basic

Control de un motor DC con Arduino y Visual Basic

Hola amigos este es mi primer post en instructables.com donde voy a intentar traer más des de novedad a menudo.Hoy el tema es con Arduino y Visual Basic.El proyecto que hoy podemos ver es un motor de la c.c. del regulador con Arduino y Visual Basic.P