Paso 2: chasis


Si tiene acceso a una máquina CNC gran y usted puede moler hacia fuera de su chasis. mina tuvo unas 7,5 horas para completar.
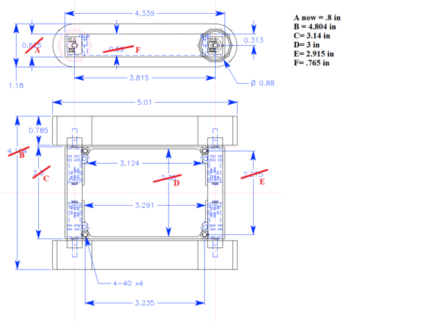
Este es el dibujo que solía hacer mi chasis. pero tienes que cambiar un par de cosas
Este dibujo fue encontrado en http://www.robotmarketplace.com/products/IL-ANTKIT2.html
int la segunda foto se puede ver la diferencia de tamaño. la izquierda es la que compré desde el marketplace de robot y a la derecha es la que hice. usted no puede verlo desde este ángulo, pero también hay un gran desnivel, así













