Submarino! R.O.V submarino (1 / 5 paso)

Paso 1: diseño

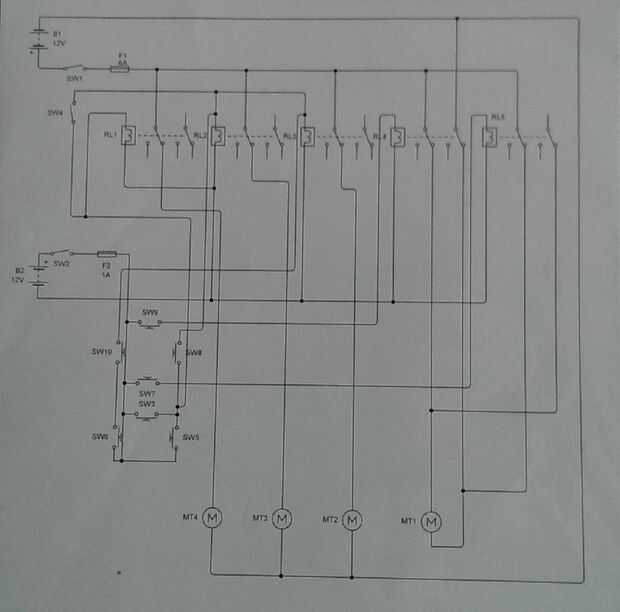
Diseño del R.O.V es muy importante. Cuanto más tiempo estuvo investigando pruebas termina le ahorra mucho tiempo cuando se trata de construir el R.O.V, esto debido a la búsqueda de pequeñas faltas y las posibles complicaciones antes de que surjan. La primera etapa de diseñar mi R.O.V fue el diagrama de cableado. Como la mayoría de los detalles técnicos fueron eléctrico basado en el esquema que diseñó trabajó primer tiro sin complicaciones, este debido a la investigación y consulta a un electricista (mi hermano). La segunda etapa de diseño está investigando materiales y su adecuación a la tarea, ejemplo: utilicé tubería de PVC para el marco, ya que es fuerte, ligero, impermeable y razonablemente asequible. (a este paso es una explicación sobre el esquema, el esquema es la foto de este paso!)

Artículos Relacionados

ROV-E | Submarino RC tanque menos

ROV-E | Submarino RC tanque menos

el registro del proyectoPaso 1: estructurarealizada la estructura en tubos de pvcPaso 2: motoresmodificado sentina protuberancia como la thurstersPaso 3: El PWB de la sub.hecho en FritzingFritzing.org/download/Paso 4: Interruptor intermitente y luces
Construir un robot submarino

Construir un robot submarino

Perca de mar es un innovador robot submarino. Construir un bajo agua robot es muy fresco. Por supuesto, toma mucho tiempo. Sin embargo, usted puede funcionar con un mando a distancia. Usted puede comprar un kit de perca de mar, que está disponible en
Planeador submarino

Planeador submarino

Nos propusimos construir un planeador submarino que esencialmente habría automatizado de movimiento hacia arriba y hacia abajo a través del agua. Esto arriba y abajo del movimiento debía ser controlada con un sistema de lastre creado por el empuje y
Submarino control remoto / submarino ROV

Submarino control remoto / submarino ROV

¿qué podría ser más divertido que explorar las profundidades de tono negro, encontrar nuevos lugares de pesca, mantenimiento de barco o descubrir tesoros con su propio submarino de control remoto? Voy a estar refiriéndose al submarino de control remo
Hacer un submarino RC de coches RC!

Hacer un submarino RC de coches RC!

Empezar por recoger lo siguiente:Herramientas-caliente la pistola de pegamento y varios palillos del pegamento-un cuchillo de la manía (también conocido como cuchillo del exacto)Materiales-un coche de control remoto eléctrico de trabajo-dos hélices d
Huevo submarino Steampunk

Huevo submarino Steampunk

Esta es una versión steampunk de un submarino utilizando cáscara de huevo en el que secretamente se pueden almacenar objetos diminutos!!Paso 1: Reunir los materialesun huevoun par de tijerascolores acrílicos (colores metálicos como plata, cobre etc.)
Submarino de puerta estilo viento-tramposo,

Submarino de puerta estilo viento-tramposo,

Hola, este es mi primer instructable, esperanza así soy capaz de hacerme claro :)Vivimos en una casa antigua que tiene un poco de calefacción. Tenemos calefacción central pero no parece lo suficientemente caliente para la casa. Así que utilizamos una
Flotante de montaje de cámara para video submarino

Flotante de montaje de cámara para video submarino

Se trata de un montaje simple cámara para debajo del agua video, que flota a la superficie si se te cae. Tengo la idea de una mezcla de diferentes montajes y bobbers pero un poco buena parte del crédito por la idea va demasiado montaje mcogan y su cá
Construir un submarino de polvo de hornear

Construir un submarino de polvo de hornear

durante mucho tiempo he querido construir un submarino de levadura en polvo de los materiales comúnmente disponibles. Tuve uno de estos en la década de 1950 cuando Kellogg les dio como premio en las cajas de cereales. Eran un poco más de dos pulgadas
Cómo limpiar y mantener la cubierta de buceo submarino (para iPhone carcasa de buceo)

Cómo limpiar y mantener la cubierta de buceo submarino (para iPhone carcasa de buceo)

Esto es sólo una simple instrucción para mostrar cómo limpiar y mantener su vivienda de buceo de iPhone después de su uso. La sección de anillo O de este instructable es la parte más importante.Puede ver el video para el mismo proceso.Proceso de limp
Simple solar había accionado submarino de bolsillo con control de profundidad.

Simple solar había accionado submarino de bolsillo con control de profundidad.

¿Qué es la cosa más fresca que viene en tamaño de bolsillo? Bien, un submarino de bolsillo por supuesto!Submarinos pequeños son a menudo llamados submarinos de bolsillo y aunque la vida real los realmente no caben en el bolsillo, será en este Instruc
Polvo de hornear buceo submarino

Polvo de hornear buceo submarino

esto es un juguete clásico de la década de 1950 (dado lejos gratis en cajas de cereal) que no ves todo mucho más.Recuerdo que mi padre me consigue uno cuando era un niño en la década de 1980, pero realmente no han visto ellos alrededor desde.Después
Sostenedor de vela de submarino

Sostenedor de vela de submarino

esto es un sostenedor de vela ligera de té que se inspira en el submarino del juego Battleship. El submarino era mi pieza favorita en el juego. Claro, tenía el mismo número de agujeros que el crucero y no era tan frustrante como el destructor, pero p
Minecraft: Transporte submarino y Fort

Minecraft: Transporte submarino y Fort

en Minecraft un mundo lleno de guerra, usted necesita un lugar genial para esconderse por lo que su enemigo no puede encontrar... O podría ser una escapada submarina pacífica como la que construí. Trabajar bajo el agua puede ser algo complicado, pero
Mini Radio Control submarino No 8875

Mini Radio Control submarino No 8875

detalles de cómo no reparar Mini Radio Control submarino 8875.Este detalla cómo reparar este juguete cuando no trabajar cuando está cargada.1. primero quite el tornillo en la parte inferior del submarino.2. Quite la parte superior e inferior partes c