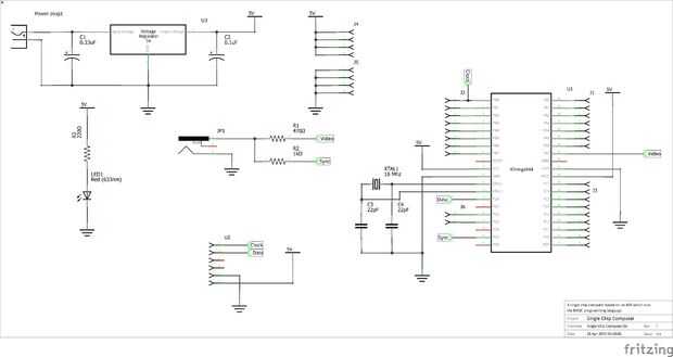
Paso 2: El circuito

Los pernos de TVout PD5 (de sincronización) y PA7 (para video) y los pines del teclado PS/2 son PD0 (para datos) y PB0 (para reloj). Para alimentar el circuito, se utiliza un regulador de voltaje de 5V (junto con dos condensadores) para permitir que varios voltajes de entrada de fuente diferentes para conectarse (como un 9V PP3 batería o 12V de pared PSU). Un conector de barril de 2,1 mm (mismo enchufe como Arduinos) se utiliza para permitir poder suministros para conectarse. Un LED a bordo se utiliza para indicar cuando una fuente de alimentación está conectada.
Algunos encabezados de pin hembra fueron utilizados para permitir las conexiones a los pines de (IO) de entrada/salida de lo ATmega 1284P, conexiones con el segundo UART (puerto serie) de la P 1284 y conexiones a 5V y tierra de. Esto permite varios circuitos y componentes para conectarse al sistema como LEDs, potenciómetros, etc. de la LDRs y poder tomarse de la tabla. La cabecera de puerto serie está presente en el PCB pero comunicaciones seriales no han sido habilitados dentro del código de fuente TinyBASIC Plus como comunicaciones serie chocan con la biblioteca de teclado utiliza.
El archivo de proyecto de Fritzing puede encontrarse conectado (como un archivo RAR) junto con imágenes PDF y JPEG de la PCB y el diagrama esquemático. Tenga en cuenta, aunque el diagrama esquemático muestra un ATmega 644, el 644 y el 1284P son perno compatible y la 644 es el de la biblioteca de Fritzing así que fue utilizado en lugar de creaing una pieza nueva; Este circuito utiliza un P 1284 pero es posible utilizar un 644 si es necesario (el TinyBASIC código tendría que ser alterado para cambiar el consumo de RAM ya que es actualmente demasiado alta para el 644).