Paso 8: Montaje de Apple adaptador de carga













Para este paso se requieren las siguientes piezas:
- Cable USB con un conector tipo macho y una hembra de un conector tipo como se muestra en la primera foto.
- Placa de circuito impreso para la manzana circuito de carga. He utilizado el tablero de PC de Radio Shack 276-159 como se muestra en la segunda foto. Sólo la mitad de la Junta se utiliza en este proyecto.
- Un caso plástico pequeño para sostener la placa de circuito como se muestra en las terceros y cuarta fotos. El caso utilicé era de 3 1/8" de largo, 2" de ancho y 1 3/8" profundo. No recomendaría usar cualquier cosa más pequeño esto era un apretón apretado para todo dentro de la caja.
- Un pequeño trozo de material aislante - utilicé una pieza de plástico rígido. Ver foto quinto. Sólo necesitas esto si su caso tiene un fondo de metal.
- 6" cablecillo aislado
- 2 resistencias de 1/4 watt de ohm de 75 K
- 2 resistencias de 1/4 watt de ohmios de 51 K
Para la construcción de la manzana adaptador de carga:
- Perfore un agujero en cada extremo de la caja de los cables USB como se muestra en la foto sexta.
- Corte el cable USB a la mitad (si es un cable largo puede cortar los cables de una longitud más corta pero recomiendo no menos de 5 pulgadas. Ver la séptima foto.
- Usando un cuchillo, con cuidado retire el blindaje exterior de los cables USB y tira de los cables.
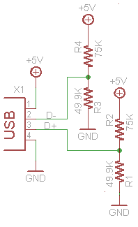
- Utilizando el esquema (diagrama de octava) como guía, el circuito en la PCB de la soldadura como se muestra en la foto novena. Importante: tirar de los extremos de los cables USB a través de los orificios en el caso antes de soldar el USB los cables a la placa de circuito.
- Empuje la placa de circuito y los cables USB abajo en la caja como se muestra en la foto décimo.
- Coloque el material no conductor en la parte superior la placa de circuito como se muestra en la foto 11.
- Atornille la tapa sobre la caja y fije las patas de goma como se muestra en la foto 12.
Voila! El adaptador de carga de Apple ahora es completo como se muestra en la última foto!