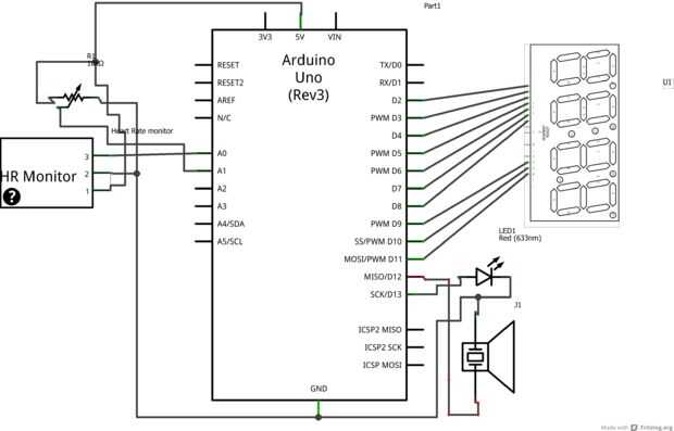
Paso 2: Paso 2: montaje








1.) conectar el LED al pin digital 13 y luego a tierra.
2.) Conecte el altavoz piezoeléctrico para pin digital 12 y luego a tierra.
3.) conectar el potenciómetro a 5V y tierra y conectar la salida al pin analógico 2 (estaba teniendo dificultades en mi tablero con clavijas analógicas 1)
4.) Conecte el monitor de ritmo cardíaco pulsesensor. Cable rojo va a 5V, cable negro está conectado a tierra y el hilo púrpura debe ir al pin analógico 0.
5.) el cableado hasta la pantalla de 4 dígitos 7 segmentos. (Esta parte es la más confusa, así que he dividido para arriba en pasos más pequeños. Ver la imagen con la pantalla de 7 segmentos en él para obtener ayuda. También, si usted está teniendo problemas de conexión a todos sus cables, mira cómo mina conectado a los cables blancos.)
b.) Conecte el pin 2 al pin digital 5
c.) saltar sobre el pin 3
d.) conectar el pin 4 a pin digital 4
e.) conectar el pin 5 a pin digital 8
f.) Conecte el pin 6 a pin digital 11
g.) Conecte el pin 7 a pin digital 3
h.) conectar el pin 8 a pin digital 10
i.) Conecte el pin 9 al pin digital 9
j.) Conecte el pin 10 al pin digital 7
k.) Conecte el pin 11 al pin digital 2
l.) saltar sobre pin 12
Todo se hace con el circuito! Tiempo para el código.