







Después de ser inspirada por uno de los videos explicativos de Kip Kay, decidí construir un banner LED para mi club escuela SkillsUSA. También he construido otro banner para la clase de 2013.
Materiales:
De LED
núcleo de espuma
núcleo de espuma impresa (opcional)
8 - 16 pilas AA
Soporte de la batería AA
PICAXE
PCB de radioshack
4 interruptores de luz
de la soldadura
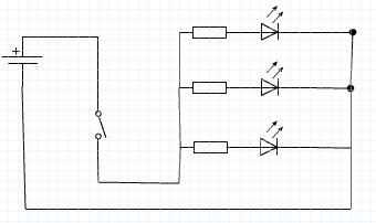
Taladre los orificios donde va el LED ir a insertar todos los LED.
La soldadura de todos los terminales negativos de todos lo LED juntos y Solde un resistor de 510 ohmios al cable positivo de cada uno de los LED.
conectar los otros extremos de las resistencias entre sí y conectarlos a un polo del interruptor de luz.
Conecte todos los cables negativo a la batería (8 pilas AA) y conectar el otro polo del interruptor a positivo de la batería.
(opcional) se puede hacer un picaxe 20 metros blink hasta 7 LED de cualquier manera que desee, pero para mi proyecto tuve 6 parpadear alrededor del borde de la bandera en un rojo circle.with y azul de LED. Hay 6 pines que se encuentran en el microcontrolador que conectarse el positivo del LED (con un resistor) y el negativo en el LED ir a tierra, y utilicé un regulador de 5v para alimentar el controlador. Usted puede programar el picaxe utilizando su software libre de http://www.picaxe.com/Software y tienen algunos tutoriales de cómo programar el picaxe.
Construí un marco de madera rectangular que podía velcro la base de la espuma a y tengo un presentación espuma base y velcro a la parte posteriora entonces puedo abrir un tercio de la parte trasera para encender en lugar de tener que sacar todo.
Aproximadamente 236 de LED
También Compruebe hacia fuera mi clase de 2013 bandera de LED