Paso 7: Arduino + Control del Motor



Descargar el adjunto sketch de Arduino (Etch_A_Sketch_FINAL_ARDUINO)
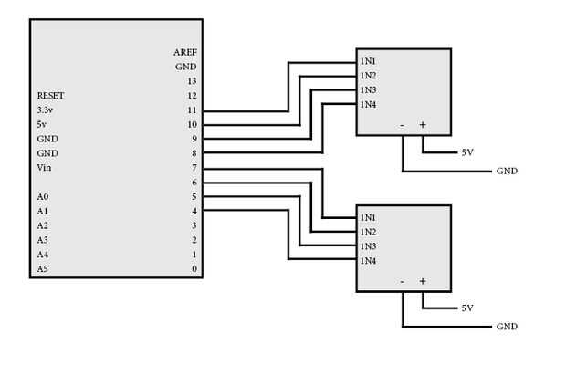
Si usted tiene los mismos motores como, puede seguir el diagrama proporcionado para alambre para arriba. Si está utilizando diferentes motores, consulte el código de Arduino. El código está anotado completamente por lo que usted debería ser capaz de trabajar la manera de conectar vuestro.
Abra el dibujo (Etch_A_Sketch_FINAL_ARDUINO).
Se anota el código para que puedas ver lo que está sucediendo.