Paso 3: Instalación de un chip ATMEL de independiente en un protoboard


En primer lugar, para que pueda jugar con el diseño, le configuramos el esquema anterior en un protoboard.
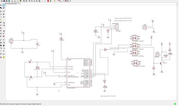
Espero que el esquema anterior es legible, si no, haga clic en él para descargar a tu ordenador e imprimir a escala en un papel A4, importando en un documento de Word.
Ahora construir el esquema en un protoboard y a prueba, paso a paso:
________________________________________________________________________________
Programa el chip Atmel
- Condujo el programa Arduino con el abrir y cerrar, cambiar el puerto 13 de puerto 3 para el parpadeo.
- Cuidadosamente retire el chip de Atmel Arduino protoboard sin doblar las patas (utilice un destornillador pequeño para mover bajo el chip y entonces mueva hacia arriba)
________________________________________________________________________________
Crear el lado de "baja energía" en el protoboard
- Tomar un protoboard. y en el protoboard.
- Añadir ahora el cristal y los condensadores de dos 22 pF, según el esquema (pines 9 y 10 de la viruta)
- Conecte las líneas de alimentación de VCC (pin 7, 20 y 21) y tierra (pin 8 y 22) el chip y las correspondientes líneas de energía en el protoboard
- Conectar el resistor de 220 ohmios y uno de los LEDS al puerto 3 (Pin 5 del chip) de Arduino. Tenga cuidado de conectar el lado positivo del LED hacia el chip.
- Conectar el pin Reset (pin 1) a través de un resistor de 10K a la línea de alimentación +
- Ahora conectar el + lado a + 3V de la batería y la tierra en el lado negativo de la batería
Ahora el LED debe destellar.
Felicidades, usted acaba de crear su sistema independiente de Atmel.
_______________________________________________________________________________________
Ahora lo hace de energía eficiente
Sin embargo, el programa actual no es verdad eso eficiencia energética todavía:
- Para hacer más eficientes, utilizar la biblioteca de Jeeves incluyendo como primera línea del programa: (NB. Debe haber agregado el JeeLib a su entorno Arduino como se describe en el paso anterior):
#include / / biblioteca de funciones de baja potencia
- Debajo de esta línea, incluir la línea para declarar el guardián de la biblioteca de Jeeves:
ISR(WDT_vect) {Sleepy::watchdogEvent();} / / configurar el dispositivo de vigilancia
- En lugar de delay(1000), utilice en su lugar:
Sleepy::loseSomeTime(1000);
Por supuesto, para hacer la quemadura de LED, se consume energía. Mi punto: vamos a intentar reducir la duración de la combustión del LED lo más posible. Aumentar el lapso de tiempo entre dos destellos a 15 segundos (Sleepy::loseSomeTime(15000);)
Felicitaciones. Ahora que ha creado un parpadeo del LED en baterías que seguirán parpadeando durante años!