Paso 4: Lado del receptor




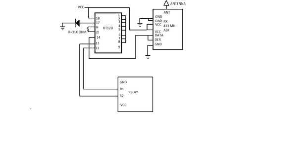
Llegado al lado del receptor. Es muy Simple. basta con conectar el receptor del módulo de RF con decodificador que se decodifica los datos recibidos procedentes de transmisor. Conectar el pin de datos del módulo de RF con el número del pin 14 del decodificador y salida del decodificador del pin 13 y 12 para el relé. No se olvide que aquí la Vcc es de 5v.
Hoja de datos de HT 12D aquí.
Conexiones del relé de
Relé está conectado directamente al decodificador con número de pin 13 y 12. y el otro lado me conecto con el CFL (tubo de luz). Usé Relay 12v. así que para activar le dan un 12v suministro y hacer interruptor ON/OFF uso 5v digital de salida viene de número pin 13 y 12.
También hay muchos enlaces y youtube video que te puede ayudar a conectar los relés.