Paso 3: Transmisor circuito

Después de ver los valores en el monitor Serial, puede manipular y utilizar eso para ON/OFF del relé.
Usar pernos digitales 13, 12 en arduino para enviar alta o baja. Así:
Si ((xv < 850) & & (xv > 780) & & (yv > 250) & & (yv < 320))
{
digitalWrite(13,LOW);
}
Si ((xv < 300) & & (xv > 200) & & (yv > 240) & & (yv < 320))
{
digitalWrite (13, HIGH);
}
Si ((xv < 850) & & (xv > 800) & & (yv > 800) & & (yv < 850))
{
digitalWrite (12, bajo);
}
Si ((xv < 280) & & (xv > 200) & & (yv > 750) & & (yv < 850))
{
digitalWrite (12, HIGH);
}
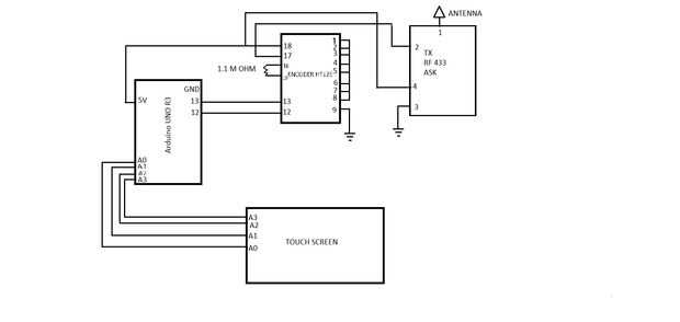
Después de hacer esto que usted necesita enviar datos sin cables. Sólo tiene que conectar 13 y 12 patillas de arduino a la 13 y 12 del codificador (HT 12e) consulte el diagrama del circuito que lo postee y hoja de datos en este enlace. y conectar el pin de 17th(OUTPUT) con el transmisor (módulo de RF).
Hoja de datos de HT 12e , haga clic en