Paso 2: esquemas

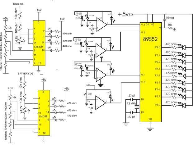
Se trata de un esquema de un inteligente sistema de iluminación de calle de carretera.
El circuito utiliza un LDR (Resistor dependiente de luz) para que el sistema sólo durante la noche. Durante el día, las baterías cobran a través de energía del panel solar. Los sensores IR sentido la presencia del coche que se acerca y envía una señal al micro controlador. El controlador enciende la luz de la calle correspondiente. Cuando el coche cruzó el área definida entonces la calle se hace luz apaga en pocos segundos. Para mantener la seguridad en la carretera, las luces nunca apagan completamente. Las luces se reduce a cerca de 70%.
Nota: Este circuito no está diseñado por mí. Me pareció útil así que decidió hacer uno, este circuito funciona bien pero hay un fallo que las conexiones de pin 1 y pin 13 debe cambiarse por dos comparadores LM339 para conseguir la correcta indicación de la carga.