Simple dos transistor Dual LED flasher (2 / 3 paso)

Paso 2: circuito

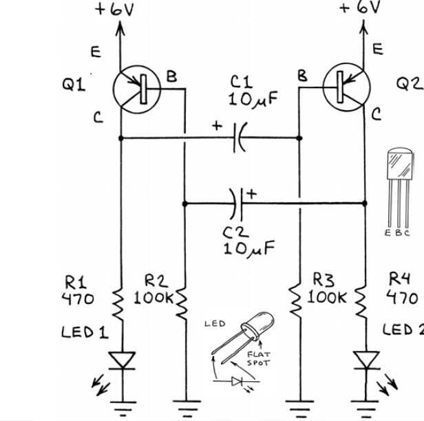
utilizar 5-6V de alimentación de cargadores de teléfono celular o cualquier batería de móvil

Artículos Relacionados

Dual LED flasher

Dual LED flasher

Aquí es un circuito simple que parpadea 2 LED alternativamente. Sólo utiliza unos pocos componentes básicos, así que por qué no lo pruebes!Paso 1: Reunir las piezas necesarias.Lista de partes:2N3904 transistores x2tapas de 10μF x2LEDs rojos x2Resiste
Parpadear Me Kit: Dual LED Flasher

Parpadear Me Kit: Dual LED Flasher

el parpadeo es un circuito super simple de usar la magia de los condensadores y transistores para crear un flasher led dual que puede ser utilizado en cualquier cosa que requiere algún tipo de parpadeo de luz.  Es un super facil aprender a kit soldad
Dos transistor LED intermitente del

Dos transistor LED intermitente del

cómo hacer un circuito para hacer dos LEDs flash hacia adelante y hacia atrás.  Esto también se llama un gratis que se ejecuta multivibrator.Paso 1: Las partes Para este proyecto necesitarás lo siguiente:-PNP transistor x2 Q1, Q2-22 4.7 uf capacitor
1, 5V LED Flasher usando un viejo reloj

1, 5V LED Flasher usando un viejo reloj

Hola... Este es mi primer instructivo! Había estado jugando con la electrónica desde mi infancia... Ahora soy un doctor pero sigo edificio de amor y explorar circuitos y aprender cómo funciona la materia...LEDs no se iluminan en 1.5v generalmente si
ALERTA de teléfono brillante RGB LED Flasher

ALERTA de teléfono brillante RGB LED Flasher

Años atrás - amigo de mi mamá (medio sordo) tenía problemas para escuchar su teléfono suene.Decidí hacer un flasher sencillo para ayudarla a "ver" el anillo del teléfono.Se trata de una modificación del proyecto - esta vez utilizando RGB LEDcon
10 LED Flasher

10 LED Flasher

This instructable will show you how to make a super simple LED flasher. Estaba pensando en un mod donde usted podría este alambre hasta un circuito de alarma, y que flash y hacer ruido. Si alguien calcula hacia fuera, mandame un MP o deja un comentar
10 años LED Flasher

10 años LED Flasher

Este LED flasher parpadeará continuamente durante 10 años en un solo 1, 5V pila alcalina AA. Esto es posible por alcanzar un consumo de corriente promedio de 35uA (microamperes).Paso 1: Este es el diagrama del circuito completo de la luz intermitente
10 años LED flasher + tablero de PC

10 años LED flasher + tablero de PC

Este circuito de LED flasher tendrá una duración de 10 años en un solo 1, 5V célula alcalina del AA.También he incluido un tablero de PC. Se puede descargar en formato PDF aquí: Descargar PCB . Usted también encontrará una Guía de colocación de compo
555 temporizador LED Flasher

555 temporizador LED Flasher

el primer proyecto jamás construido fue una luz que titilaba y apagar. Tomó nueve partes y un par de cables. Agradable y fácil.Con algunas resistencias y condensadores, he configurado básicamente un chip 555 temporizador como oscilador (término fanta
Cómo hacer un simple dos colores vinilo coche detalle.

Cómo hacer un simple dos colores vinilo coche detalle.

Hey hay fabricantes, aquí está cómo hacer un simple dos colores etiqueta del coche del vinilo.Ingredientes:-Vinilo, por lo menos dos colores-Papel de transferencia-Tac rápidoPrepare su diseño en dos partes: la parte de "diseño", que tengo en ama
EMERGENCIA del RGB LED FLASHER

EMERGENCIA del RGB LED FLASHER

INTRO: EMERGENCIA RGB LED FLASHEREste Instructable fue hecho antes incluso de empezarlo la mitad.Todo comenzó después de ordenara una luz de la bicicleta 5 LED trasero rojo con 7 modos de flasheo de Ebay.Yo estaba impresionado con todos los modos que
Cómo hacer un simple dos patas robot andante

Cómo hacer un simple dos patas robot andante

Uno de lo robot más difícil es dos patas robot andante. Su mecanismo de equilibrio es necesario un circuito complejo, gran cantidad de sensores, servos y gyro, mecánica. Todas las piezas están controladas por microprocesadores con Firmware complicado
10 años Led Flasher (versión 2 con convertidor)

10 años Led Flasher (versión 2 con convertidor)

Este flasher LED parpadeará durante 10 años en un solo 1.5v AA células. Mi circuito anterior utiliza un oscilador de bloqueo para generar el voltaje Vdd de IC1. Este circuito se basa en una configuración de Convertidor (diodo-inductor-capacitor). Vol
Arduino + teclado PS/2 controlado por LED Flasher

Arduino + teclado PS/2 controlado por LED Flasher

Hola todos, es otro Hack con Arduino para usarse con teclado PS/2 para el Control de un LED Flasher.Paso 1: partesArduinoLEDResistor de 470 ohmTeclado PS/2Conector de teclado PS/2Paso 2: conexión Conectar el Arduino con Keyboard.There son 4 hilos des