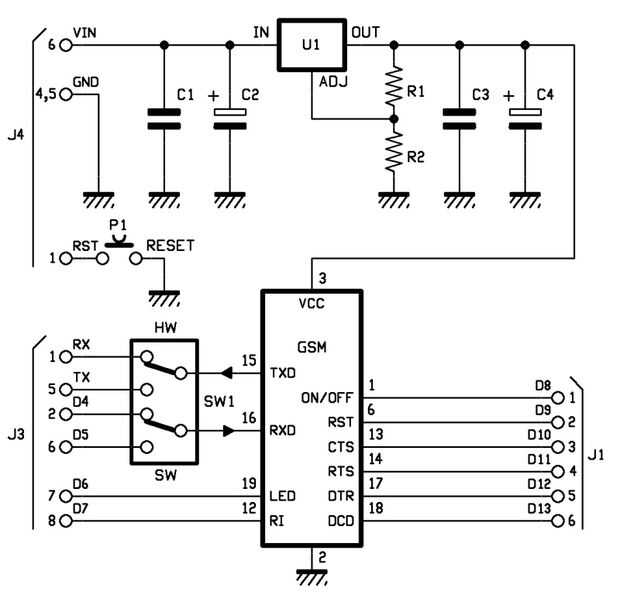
Shield Arduino GSM (2 / 3 paso)

Paso 2:

En este paso hay los esquemas y PCB.

Artículos Relacionados

Pantalla táctil ITDB02 2.8″ Shield Arduino

Pantalla táctil ITDB02 2.8″ Shield Arduino

Compatibles con pantalla táctil ITDB02 2.8″ Shield Arduino está diseñada para todas las tarjetas con Arduino. Funciona con 3.3V, tiene una etapa de conversión de niveles de 5V para utilizarla con tarjetas como Arduino UNO.Es una pantalla táctil con f
WeMo Switch de control con shield Arduino Ethernet

WeMo Switch de control con shield Arduino Ethernet

Hay muchas aplicaciones que permiten controlar dispositivos Belkin WeMo , pero hay no hay un panel de interruptor de hardware como el Matiz aprovechar para tono de Philips.Tan construir uno con un Arduino!Paso 1: materialesPara este proyecto necesita
Control Denon AVR con shield Arduino Ethernet

Control Denon AVR con shield Arduino Ethernet

En este proyecto me he construido un panel de control simple para mi Denon AVR (AVR-X4100W).La mayoría de la Denon A receptores son red, para que los puedas controlar dentro de una interfase web o una aplicación. No hay ninguna documentación oficial
Shield Arduino Audio

Shield Arduino Audio

En este vídeo mostramos los pasos para el montaje de su caso de audio shield Arduino. Para adquirir uno de estos casos, solo volver a mi proyecto de kickstarter: Arduino Audio escudoPaso 1: Cómo montar tu caso de Shield Arduino Audio DSPEl primer pas
Tutorial EFCom - GSM/GRPS Shield Arduino

Tutorial EFCom - GSM/GRPS Shield Arduino

Hola, cada aficionado de la electrónica, hace poco hemos terminado un tutorial acerca de EFCom, que puntualmente puede ayudar a los estudiantes de Arduino a enviar un mensaje, llamar a un teléfono, mientras tanto, realizar comunicación GPRS, incluyen
Sensor + arduino + gsm escudo

Sensor + arduino + gsm escudo

esta es mi primera vez para subir el experimentosimplemente se trata de un sensor (cualquier tipo de sensor digital) una vez sentido el arduino le enviará un SMS con un textoPaso 1: ¿qué se necesita? se necesita:uno de 1_arduino o duemilanove (podría
Arduino + GSM + PIR = impresionante

Arduino + GSM + PIR = impresionante

En actualidad casa u oficina y en muchos lugares la seguridad es más importante. En nuestra ausencia estos lugares no son seguros. Para hacer estos palacios segura a muchos pueblos mantienen guardias y muchas personas prefieren los sistemas de seguri
Shield Arduino sous-vide

Shield Arduino sous-vide

* Nota * este proyecto es realizado por un grupo de estudiantes de la Politécnica de SingapurLas herramientas y componentes fueron proporcionados por nuestro supervisor FYP Teo Shin Jen.Sous-vide (/ suË Ë viË d /; En francés "al vacío") [1] es u
Envío de sms si se detecta humo (Arduino + GSM SIM900A

Envío de sms si se detecta humo (Arduino + GSM SIM900A

HII todosEn mi primera instructable presentaré una alarma de gas que envía mensaje al usuario si se detecta contaminación.Paso 1: Materiales necesarios(1) Junta Directiva Arduino Uno (o cualquier placa de Arduino)(2) escudo GSM (personalmente recomen
Shield Arduino personalizado y sensores

Shield Arduino personalizado y sensores

Resumen:Este instructable construirá una serie de módulos de sensor de encargo y un escudo de Arduino. Dichos módulos están disponibles en muchas fuentes diferentes, pero los fanáticos de la Web de Instructables probablemente encontraría satisfacción
LWJM 3 x 3 x 3 led shield arduino de cubo

LWJM 3 x 3 x 3 led shield arduino de cubo

lo que debería ser en el juego:1 – PCB27-LED2 – 6 pernos para Arduino2 – 8 pernos para Arduino3-resistencias1-guía espuma1-pequeño alambre1 – media Wire1-grande alambreNecesitas: hierro, soldadura, cortadores de alambre de la soldadura, pelacables, g
Shield Arduino papel

Shield Arduino papel

Me gusta el Arduino. UNO en particular.Sin embargo, junto con muchos otros, tengo dificultad para ver fácilmente los nombres/números.No te me comenzó a leer los valores de los transistores y circuitos integrados, como no mucho que puedo hacer, aparte
DIY caja de madera para shield Arduino LCD

DIY caja de madera para shield Arduino LCD

Esta es una actualización para mi proyecto "Arduino DIY Pantalla LCD "ir comprobar hacia fuera cómo hacer el escudo en mi canal!Este es un proyecto fácil de hacer, sólo necesitas 2 partes y algunas herramientas.Paso 1: partes Solo necesitas 2 pa
Shield Arduino movimiento

Shield Arduino movimiento

¡ Hola todos! Un par de días atrás, llegó a mi manos «9 ejes movimiento escudo» de Arduino.org. En otras palabras, este bebé.Ahora, lo ha complicado un poco las instrucciones y necesita que instale el IDE Arduino.org para poder usar la biblioteca, pe