Paso 5: Controlador de Motor


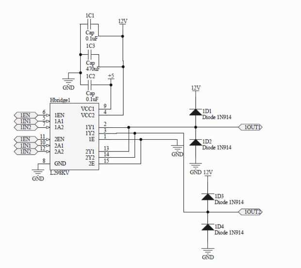
El circuito esquemático, PCB así como los archivos Gerber para la Junta se pueden encontrar en el archivo zip siguiente.
El circuito esquemático, PCB así como los archivos Gerber para la Junta se pueden encontrar en el archivo zip siguiente.