Paso 7: ¿Qué se gana?












• Conectar una webcam IP, incrustar el vídeo en la página web
• Capacidad para enviar comandos de serie personalizados a cualquier dispositivo externo.
(tenga en cuenta de los niveles de voltaje serie 3V3, les aconsejamos usar CD40106 como un tampón)
• En esta aplicación son capaces de enviar cualquier posible comandos RF (basados en el protocolo RF) a los receptores. (es decir, sin limitaciones en el número de botón del control remoto)
¿Cómo de estable es?
El sistema no pierda ningún comando, gracias al Protocolo de Internet TCP/IP y el firmware del microcontrolador sofisticado.
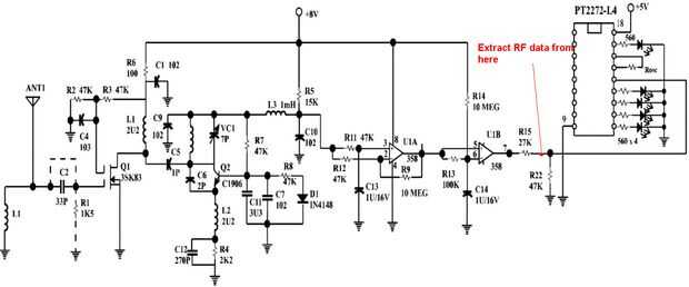
Otras mejoras:
Toque en el receptor de RF de salida conmutada, añadir un MCU, detectar patrones de datos, salida IR código y usted obtendrá una basada en Internet controlado, mando a distancia control remoto :D
Escribir software para el router que puede manejar los datos entrantes en serie.
Sí podrás Twitt de tu router (por ejemplo, informes de consumo de los dispositivos de medición externos la energía).
O hacer cosas de vieja escuela como control SMS de dos vías, sistema de alarma, repetidor de IR (a través de la web), programa de programador para controlar automáticamente cosas sobre bases de tiempo.
Aquí está la página de la web de SmartLinc original (utiliza AJAX y se ejecuta en el servidor de web AVR).
http://www.cocoontech.com/forums/index.php?Autocom=Downloads&ShowFile=71
Esto es una buena manera de comenzar a desarrollar páginas web.
No te olvides de compartir lo que han hecho con este proyecto.
Creado por:
Toth Arpad
Todos los derechos reservados
2010
Algunas fotos son tomadas de otros sitios, no tengo todo de ella.
Gracias por leerme.