Paso 5: Hardware







Por eso, tenemos que hacer una conversión de voltaje entre la
5V MCU <> – 3V3 Router serie.
Esta fuente también tiene un carril de 12V para el mando de RF, así que puede funcionar sin batería.
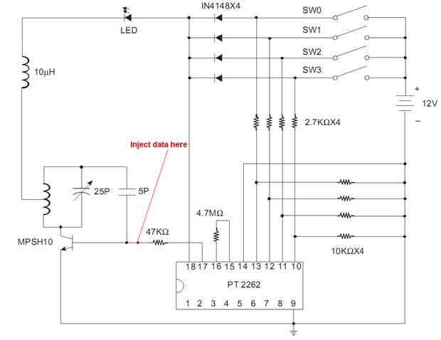
Inyección de la señal en RF control remoto
Usted necesita encontrar el camino de su propio mando a distancia datos, normalmente es entre el IC y el transistor (ver imagen). Usar una resistencia para la conducción del transistor.
Firmware
Grabar el firmware mediante:
http://www.Atmel.com/Forms/software_download.asp?family_id=607&FN=dl_AvrStudio4Setup.exe
http://sourceforge.net/projects/WinAVR/files/WinAVR/20100110/WinAVR-20100110-install.exe/download
http://Electronics-DIY.com/avr_programmer.php
MCU: ATMEGA88
Oscilador: interno 8Mhz
DIV8 fusible ¡ claro!
Firmware incluido en archivo zip. Eres más que Bienvenido compartir las mejoras en el software.